Installation Manual

128-9184
*
4
=
-
/
:
-
-
6
A
-
4
4
7
?
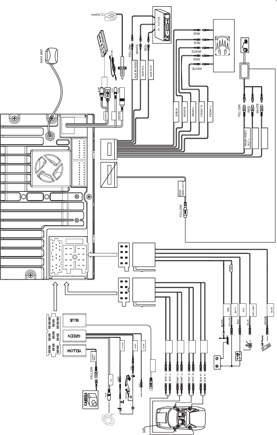
Rear Right
Rear Left
Front Left
Front Right
Sirius XM
Cell 8PWVM
Antenna
Microphone
Steering Wheel Control (SWC) r equ ires
PAC
SWI-PS Interface Adapter (Sold Separately)
External Power Amplifier
Auto antenna
control (connect
to antenna control
lead and power
supply of antenna
amplifier)
Multizone L
Multizone R
Wiring Diagram
CAUTION! IMPORTANT: Incorrect wiring connections can damage the unit. Follow the wiring instructions carefully, or have the installation handled by an
experienced technician.
Need Help? For technical assistance, call the Jensen customer support line at 1-800-323-4815.