Remote Access Module User's Guide
Table Of Contents

User's Guide Page 5
38DHB0002UKDS – Issue 2 (09/01/2002) Remote Access Module 4
Installation
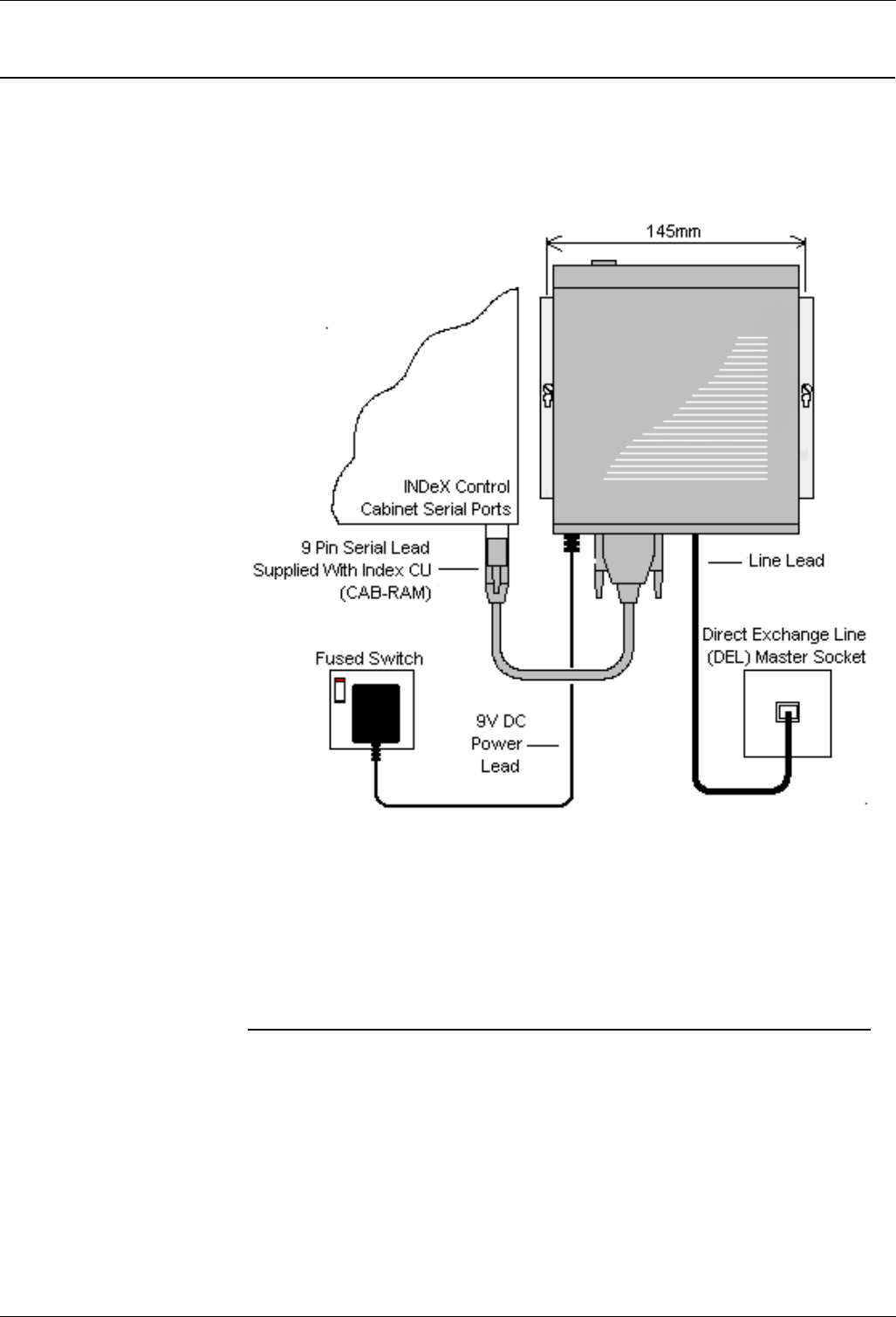
1. Location Requirements
The Remote Access Module (IND-RAM4) is designed for wall mounting
near the INDeX cabinet containing the CPU Cassette. It requires the
following:
1. A switched and fused mains power socket.
2. A standard direct exchange line master socket
(this allows the IND-RAM4 to operate independent of the INDeX
system's state).
3. A position which leaves the LED indicator lights on the module's
front panel clearly visible.
Rack Systems
Some INDeX systems are installed in a rack.
In this case, the IND-RAM4 can be placed in the base of the rack
(directly below the Control Cabinet).










