User manual

184
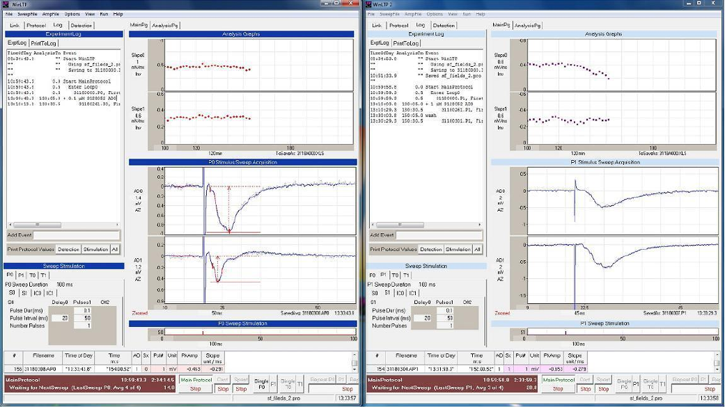
Fig. 10.2.8.1. Running Many WinLTP Programs Simultaneously (on one computer). The first instance of
WinLTP running, ‘WinLTP’ on the left (see the program name bar and on the Task Bar (not shown)), has
the normal white letters on a dark blue Title Bar, whereas the second instance of WinLTP running,
‘WinLTP 2’ on the right (see the program name bar and on the Task Bar), has different black letters on
a light blue Title Bar.
However, if you are running one slice from one animal, and all the slices are exposed to DIFFERENT
stimulation and perfusion solutions (ie using the ‘Academic’ definition of N), then WinLTP really shines.
This is primarily due to the cost of one WinLTP / National Instruments board data acquisition systems
compared to the cost of many other data acquisition systems. This is particularly true for academics
buying National Instruments boards in units of 1 with a 10% discount or 5 or more with a 25% discount.
The cost of National Instruments board and WinLTP Advanced Mode software is:
10% 25%
Academic Academic
Discount Discount
PCIe-6321 $557 $464
SHC68-68-EPM (2m) cable $125 $104
BNC-2090A Connector block $409 $340
-------- --------
NI board $1091 $908
WinLTP Advanced Mode * $1300 $1050
===== =====
Total $2391 $1958
* The cost of WinLTP Advanced Mode is $1300/£800 for the first copy purchased, and $1050/£650 for the
second and subsequent copies purchased.










