User manual

198
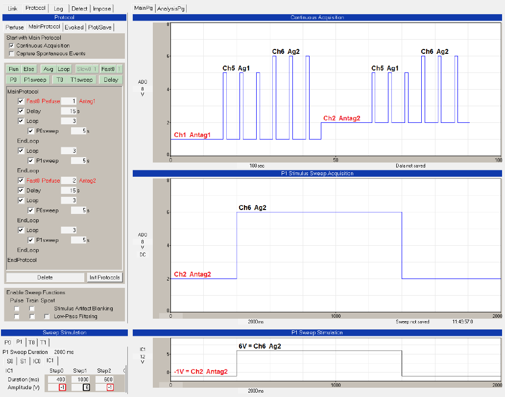
Fig. 10.3.1.2.3. An example of Fast Perfusion Change DURING and BETWEEN Sweeps for controlling 8
channels with AnalogOut1. The Protocol Builder (big panel on left) shows the Perfuse statement
changing antagonist concentration 2 times. After each Perfuse statement, a different sweep (P0, then P1)
is output 3 times. Each sweep contains a 1000 msec output of antagonist + agonist solution (P0sweep,
Ch 5, Antagonist 1 or 2, then Agonist 1, P1sweep, Ch 6, Antagonist 1 or 2 then Agonist 2 (right three
panels). As shown for the P1sweep, setting the IC1 Step1 Amplitude (V) to 6 turns on Ch 6 perfusion
(bottom panels). Setting Step0 and Step3 Amplitude (V) to -1 sets the perfusion channel to the channel
set by the Perfuse statement. The AO1 Gain is 1.










