User Guide
Manuals
Brands
Baldor Manuals
Other
AE11
61
62
63
64
65
66
67
68
69
70
Series AE1
1 C-7
MN2415
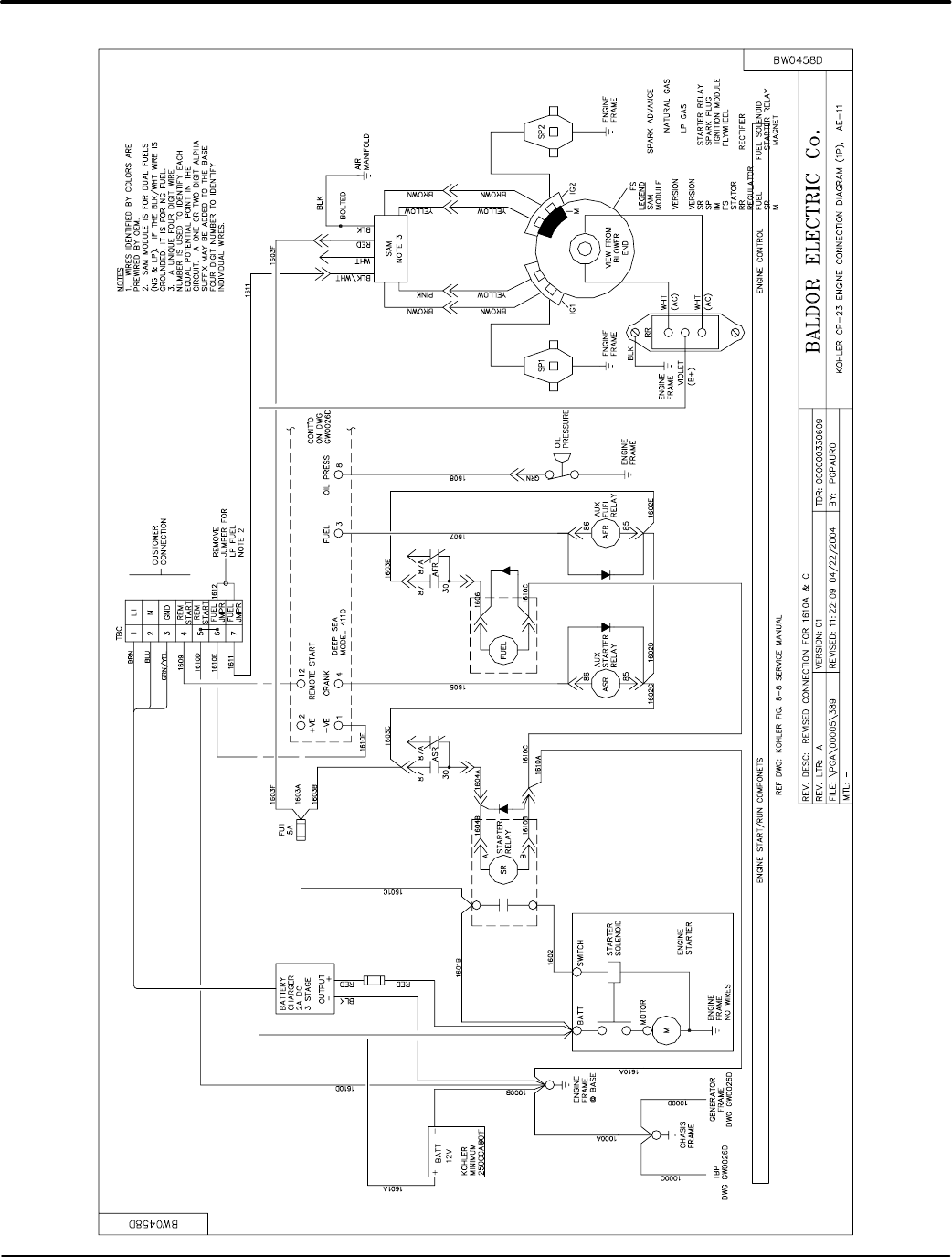
Figure C-9 AE1
1 Engine Connection Diagram
1
...
...
61
62
63
64
65
...
...
74