Technical information
Table Of Contents

8 – THEORY OF OPERATION
Start/Stop Control with a Hand/Off/Auto Selector Switch
135
8.9 Start/Stop Control with a Hand/Off/Auto Selector Switch
Often times, a switch is desired to select between local or “Hand” mode and remote or “Auto” mode. In most cases, local control is
performed as 3-wire logic with a normally open, momentary contact Start pushbutton and a normally closed, momentary contact Stop
pushbutton, while remote control is performed as 2-wire logic with a “Run Command” contact provided by a PLC.
The MX can perform both 2-wire start/stop logic and 3-wire start/stop logic. With 2-wire logic, the starter starts when a run
command is applied to the Start input. It continues to run until the run command is removed from the Start input. With 3-wire logic,
the starter starts when a start command is momentarily applied to the Start input and continues to run until an input programmed as a
Stop input goes low.
The MX automatically determines whether to use 2-wire logic or 3-wire logic by the presence of a high level on a Stop input. If there
is an input programmed as a Stop input, and that input is high when the Start input goes high, then 3-wire start/stop logic is used.
Otherwise, 2-wire start/stop logic is used. This feature eliminates the need for external logic relays often used to “seal in” the
momentary Start and Stop pushbuttons, creating a 2-wire logic signal. The trick is to have the Stop input be high when the
Hand/Off/Auto switch is in the Hand position, but be low when the switch is in the Auto position. The following wiring diagram
illustrates a possible implementation. In this example, DI 1 on the MX is programmed as a Stop input.
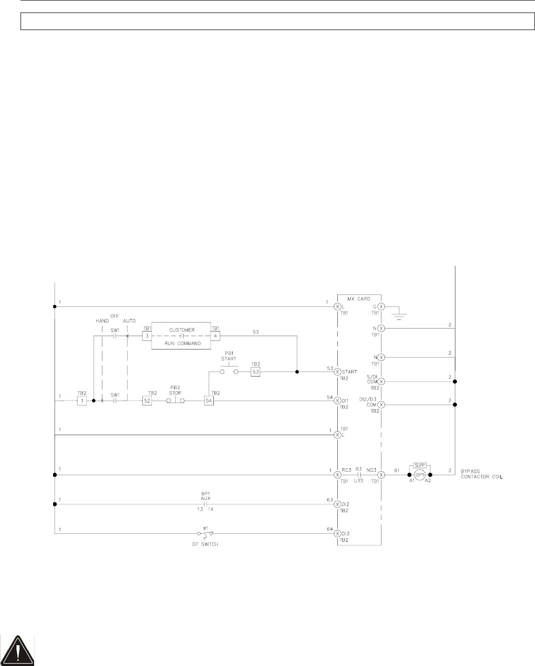
Figure 28 – Example of Start/Stop with a Hand/Off/Auto Selector Switch
When the Hand/Off/Auto selector switch is in the Hand position, current flow to the Stop push button contact and to the Stop input
on the MX. If the Stop is not pressed and the Start push button is pressed the starter starts. This is a typical 3-wire control. The seal
for the Start push button input is accomplished in software. When the stop is pressed, the starter stops.
When the Hand/Off/Auto selector switch is in the Auto position, current flows to the user supplied run contact, but the Stop input
remains low. When the user supplied run contact closes, and the stop input is low (no power applied) the starter is in 2-wire control.
CAUTION: It is important that the Stop push button be wired in front of the Start push button, otherwise the starter could be started
when the Stop bush button is pressed and the Start button is pressed.










