Technical information
Table Of Contents

6 – APPLICATIONS
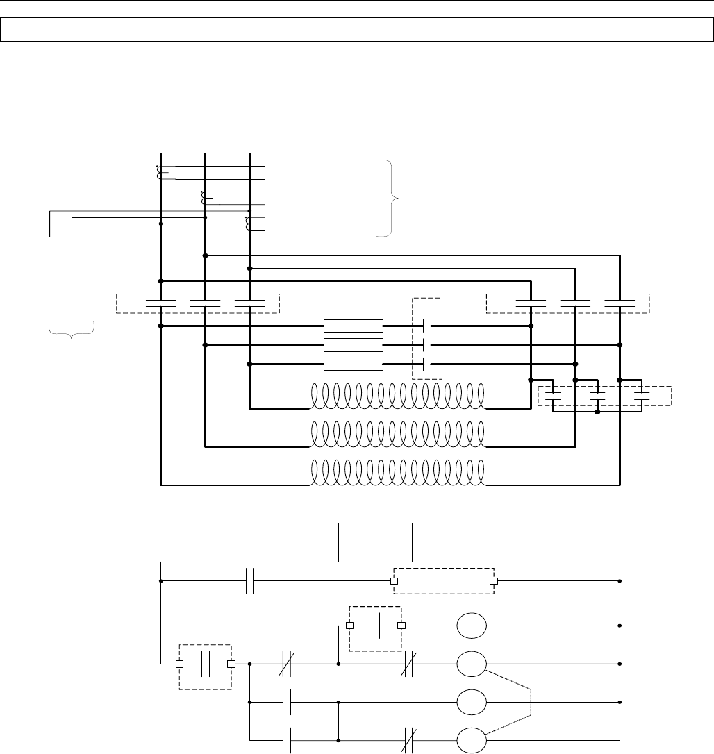
Wye Delta Starter
92
The presence of these resistors in a closed transition starter smoothes the transition from Wye to Delta operation mode. A typical
closed transition Wye-Delta starter schematic is shown in the following figure
Figure 12 – Wye Delta Motor Connection to the MX
Mechanical
Interlock
T1
T2
T3 T6
T5
T4
Resistor
Resistor
Resistor
1M
L1 L2 L3
2M
2S
1S
1S
2S
1M
2M
2S
Control Power
2M
1S
1M 1S
Run
MX
UTS
MX
2M MX
Input Common
To TB3, C1+ (White Wire)
To TB3, C2+ (White Wire)
To TB3, C3+ (White Wire)
To TB3, C1- (Black W ire)
To TB3, C2- (Black W ire)
To TB3, C3- (Black W ire)
Current Feedbacks
to MX
Line
Voltage &
Frequency
to MX
To TB4 (SCR 1) K1
To TB6 (SCR 2) K2
To TB8 (SCR 3) K3
2M Confirm
For the Wye-Delta starter mode to operate properly, one output relay needs to be programmed to the RUN output function and
another output relay needs to be programmed to the UTS output function.
For operation of the Wye-Delta and its transitions from a start to a completed run, refer to Section 8.5, Wye-Delta Operation.
The closed transition resistors generally are sized to be in the circuit for a short period of time. To protect the resistors from over
heating, one input should be programmed as a Bypass/2M contact feedback input and the Bypass/2M confirm parameter must be set.










