Application Guide

Broan Automatic Make-Up Air Damper Product Guide – 04-17-13 16
When connecting the Damper to the return side of a central duct system in humid climates,
consider having the HVAC contractor install controls that are configured to reduce the humidity
of the incoming make-up air. For example, controls that start the central AC when the
thermostat is in “Cool” mode and when the Damper opens, running the AC until a couple
minutes after the Damper closes, can help to reduce the moisture in the incoming make-up air.
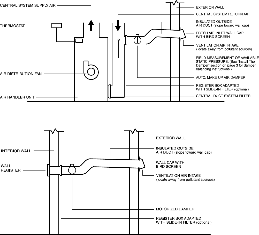
8. Typical Installations
Installations will vary according to the location in the home where the unit is installed and which
model Damper is used. Use the following illustrations and notes as guidance for your own
installation. Always comply with local code requirements and in any instance where a detail
shown below conflicts with local code, the local code provision shall apply.
8.1 Damper Connected to Return Side of Central Duct System
8.2 Damper and OA Duct Connected Directly to a Ceiling, Floor, or Wall Register










