User manual

37
EN
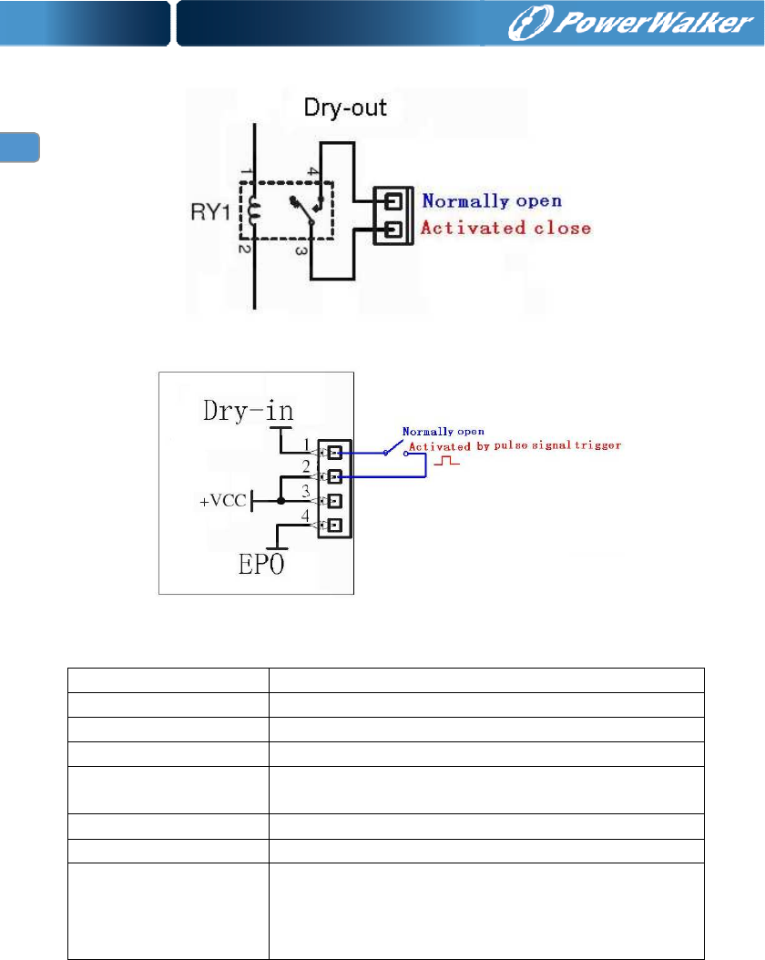
The following figures show schematic of the dry out/in contacts.
Dry out contact schematic
Dry in contact schematic
The following table shows the options for the dry out/in contacts
Dry out signal Description
Summary Alarm Activated when any warning happens
On Battery Activated when the UPS operates on battery
Battery Low Activated with the “bLOW” alarm
UPS ok Activated when the UPS has no alarms and no
fault.
On Bypass Activated when the UPS has bypass output.
Dry in signal Description
UPS On/Off One second pulse activate, if active, the UPS
turns off when UPS is on inverter; the UPS turns
on when UPS is not on inverter. It is the same as
a remote button to control UPS On/Off status.










