Manual
Manuals
Brands
BRILLIANCE Manuals
Automotive
Brilliance M2 Junjie Manual 2005-2010.pdf
111
112
113
114
115
116
117
118
119
120
ЭЛЕКТРООБОРУДОВА
НИЕ
ДВИГ
А
ТЕЛЯ
–
Сист
ема
зарядки
16-4
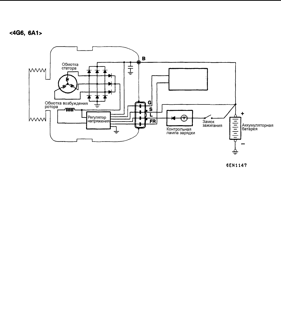
ЭЛЕКТРИЧЕСКАЯ
СХЕМА
СИСТЕМЫ
ЗА
РЯДК
И
Электронный
блок
управления
двигателем
1
...
...
118
119
120
121
122
...
...
522