Manual

ЭЛЕКТРООБОРУДОВАНИЕ ДВИГАТЕЛЯ – Система пуска двигателя
16-23
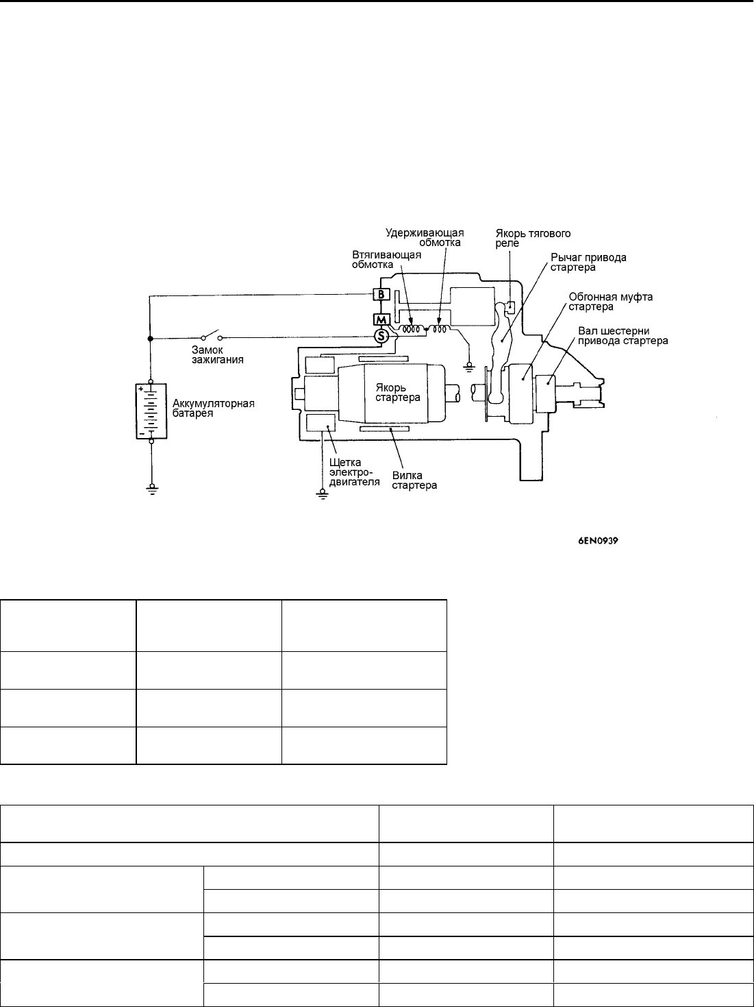
СИСТЕМ А ПУСК А ДВИГАТЕЛЯ
ОБЩАЯ ИНФОРМАЦИЯ
При повороте ключа зажигания в положение "START"
("СТАРТЕР") через втягивающую обмотку тягового реле
стартера проходит ток, перемещая якорь тягового реле.
Якорь тягового реле перемещает рычаг привода (вилку),
который в свою очередь вводит шестерню привода
[выполненную вместе с обгонной муфтой] в зацепление с
зубчатым венцом маховика.
Одновременно перемещение якоря тягового реле
замыкает контакты В и М.
В результате ток начинает проходить через обмотки якоря и
стартера (а также удерживающую обмотку тягового реле, прим.
ред-ра), включив тем самым электродвигатель стартера. Когда
после запуска двигателя ключ зажигания возвращается в
положение "ON" (ВКЛ), обгонная муфта стартера выводит
шестерню привода из зацепления с зубчатым венцом маховика.
(для предохранения разноса стартера двигателем между
шестерней привода стартера и якорем установлена обгонная
муфта).
ПРИНЦИПИА ЛЬНАЯ СХЕМА
ТЕХНИЧЕСКИЕ ХАРАКТЕРИСТИКИ СТАРТЕРА
Параметры 4G6 - МКПП (Кроме
моделей в северном
исполнении)
4G6 - МКПП (Модели в
северном исполнении),
6А1, 4G6 – АКПП
Тип Прямая передача Планетарная
понижающая передача
Номинальная
мощность кВт/ В
0,9 / 12 1,2 / 12
Число зубьев
шестерни привода
88
ОСНОВНЫЕ ДАННЫЕ ДЛЯ РЕГУЛИРОВОК И КОНТРОЛЯ
Параметры 4G6 (Модели в северном
исполнении), 6А1
4G6 (Кроме моделей в
северном исполнении), 4D6
Осевой зазор шестерни, мм 0,5 – 2,0 0,5 – 2,0
Номинал 29,4 32,0Наружный диаметр коллектора
мм
Предел 28,4 31,0
Номинал 0,05 0,05Биение коллектора, мм
Предел 0,1 0,1
Номинал 0,5 0,5Выступание ламелей
коллектора над изолятором, мм
Предел 0,2 0,2