Manual

КУЗОВ – Капот/ Крышка багажника < Седан >
42-4
ОСНОВНАЯ ОПЕРАЦИЯ ПО УСТАНОВКЕ
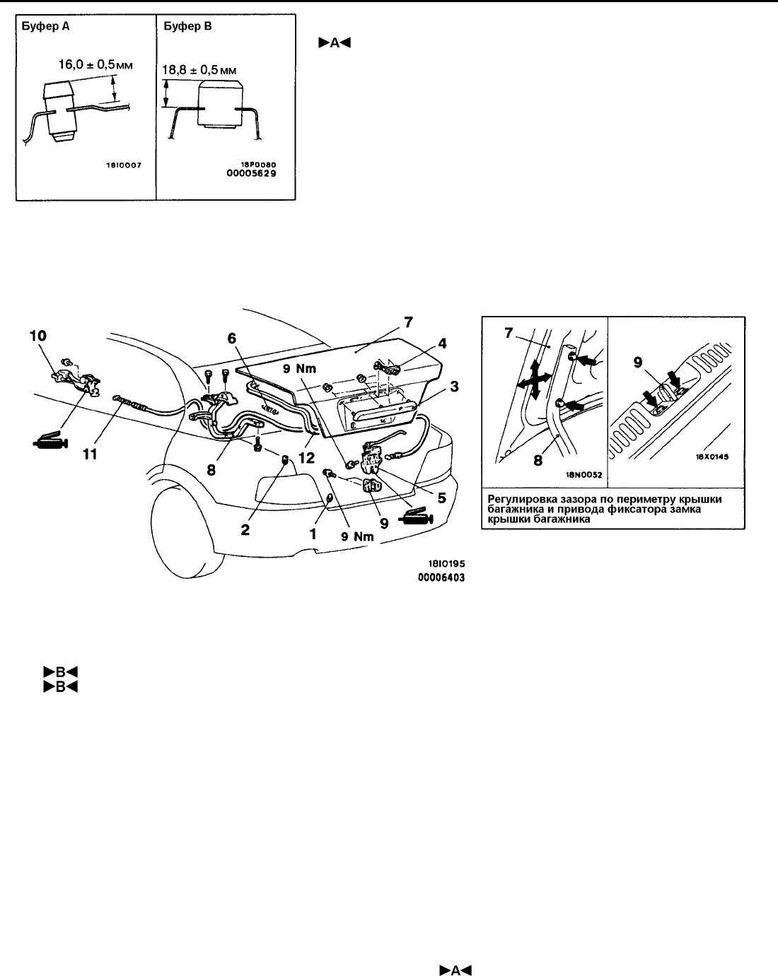
УСТАНОВКА БУФЕРА А И БУФЕРА В
Установите буферы А и В как показано на рисунке.
КРЫШКА БАГАЖНИКА<Седан>
СНЯТИЕ И УСТАНОВКА
Последовательнос ть снятия крышки ба-
гажника
1. Буфер А
2. Буфер В
• Фонарь освещения номерного знака
3. Накладка фонаря освещения номерного
знака
4. Личинка замка крышки багажника
5. Замок крышки багажника
• Крышка пружины (См. Главу 52А – Обли-
цовка).
6. Пружина петли крышки багажника
7. Панель крышки багажника
Последовательнос ть снятия пет ли крыш-
ки багажника
• Задняя полка (См. Главу 52А – Облицов-
ка).
7. Панель крышки багажника в сборе
8. Петля крышки багажника
Снятие замка крышки багажника
5. Замок крышки багажника
Последовательнос ть снятия фиксатора
крышки багажника
• Облицовка задняя (См. Главу 52А – Обли-
цовка).
9. Фиксатор крышки багажника
Последовательнос ть снятия троса и ручки
привода крышки багажника
• Переднее сиденье (со стороны водителя)
(См. Главу 52А).
• Заднее сиденье (См. Главу 52А).
• Передняя защитная накладка (со стороны
водителя) (См. Главу 52А).
• Задняя защитная накладка (со стороны во-
дителя) (См. Главу 52А).
• Боковая облицовка багажного отделения
(со стороны водителя) (См. Главу 52А).
5. Замок крышки багажника
10. Ручка привода крышки багажника
11. Трос привода крышки багажника
Последовательнос ть снятия уплотнителя
крышки багажника
12. Снятие уплотнителя крышки багажника