Manual

ПЕРЕДНИЙ МОСТ - Ступица переднего колеса
26-8
ПОВОРОТНЫЙ КУЛАК
СНЯТИЕ И УСТАНОВКА
Предварительная операция
Снятие ступицы переднего колеса (См. стр. 26-5.)
Заключительные операции
• Проверка защитного чехла на наличие трещин и
повреждений, нажимая на него пальцем.
• Установка ступицы переднего колеса в сборе
(См. стр. 26-5.)
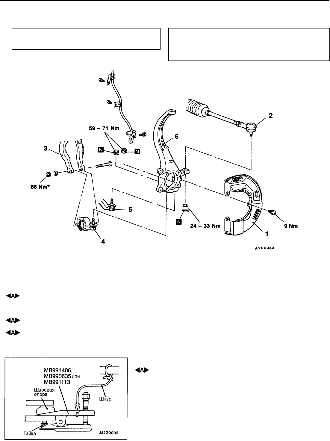
Последовательнос ть проведения
разборки
6. Поворотный кулак1. Защитный щиток
2. Соединение рулевой тяги и
поворотного кулака
3. Соединение вилки амортизатора и
нижнего поперечного рычага подвески
4. Соединение и нижнего поперечного
рычага подвески и поворотного кулака
5. Соединение заднего нижнего рычага и
поворотного кулака
Внимание:
* Означает детали, которые необходимо предварительно
затянуть, а затем произвести окончательную зат яжку,
опустив незагруженный автомобиль на колеса на
горизонтальную ровную поверхность.
.
ОСНОВНЫЕ ОПЕРАЦИИ ПО СНЯТИЮ
ОТСОЕДИНЕНИЕ ОТ ПОВОРОТНОГО КУЛАКА:
РУЛЕВОЙ ТЯГИ, НИЖНЕГО ПОПЕРЕЧНОГО РЫЧАГА
ПОДВЕСКИ И ЗАДНЕГО НИЖ НЕГО РЫЧАГА ПОДВЕСКИ
Внимание:
1. При помощи специального инструмента ослабьте гайку. Гайку
следует ослабить, но не отворачивать полностью.
2. Для предотвращения соскакивания съемника, необходимо
предварительно привязать его веревкой или проволокой.