Manual

СИСТЕМА ОХЛАЖДЕНИЯ - Термостат
14-13
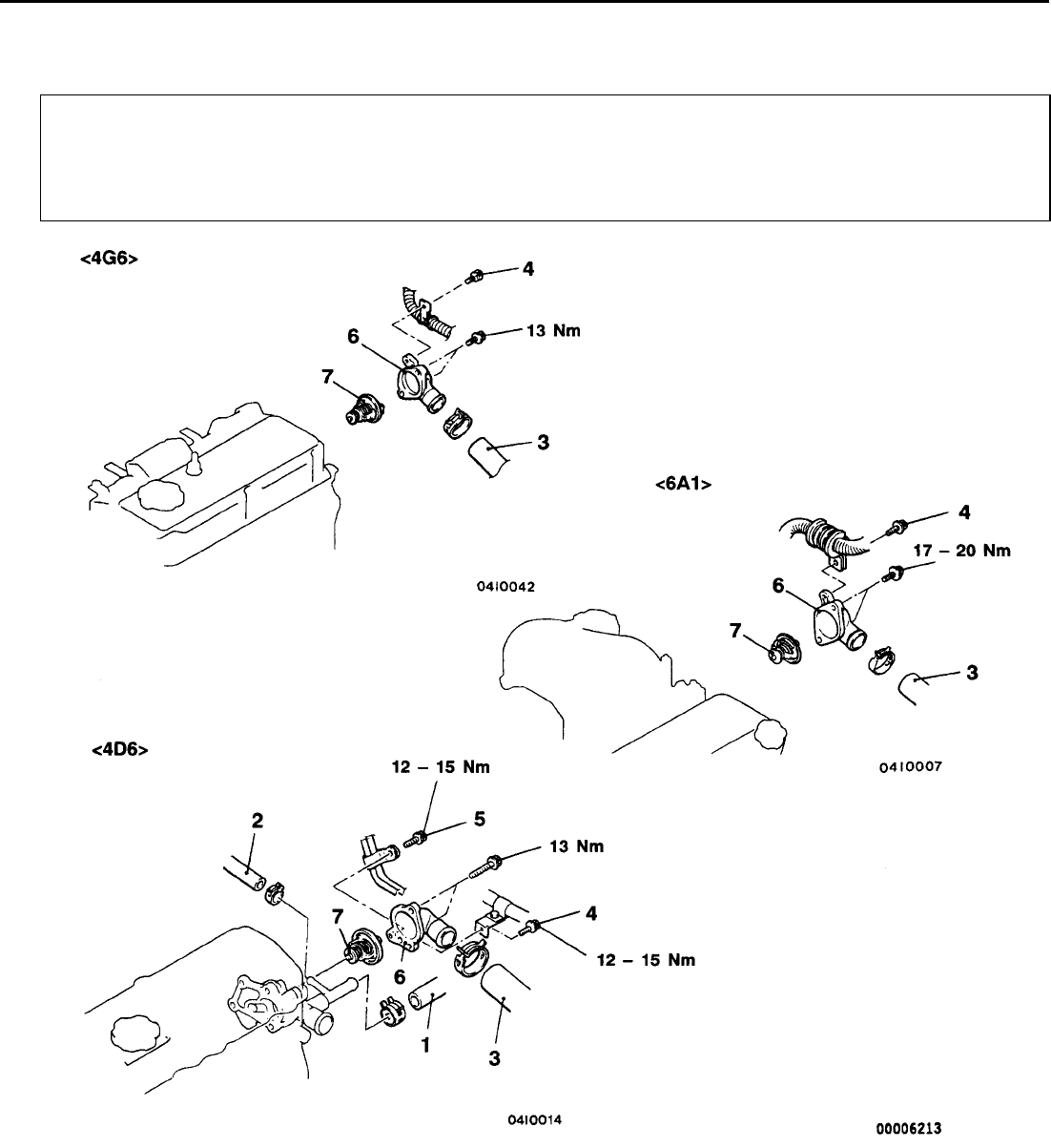
ТЕРМОСТАТ
СНЯТИЕ И УСТАНОВКА
Предварительные и заключител ьные операции
• Слив и заливка охлаждающей жидкости двигателя
(См. стр. 14 – 10)
• Снятие и установка воздушного фильтра и
впускного патрубка в сборе
• Снятие и установка воздушного шланга и воздушной
трубки в сборе <4D6>(См. стр.14 –21)