Manual

СИСТЕМА ОХЛАЖДЕНИЯ - Шланги и труба системы охлаждения
14-19
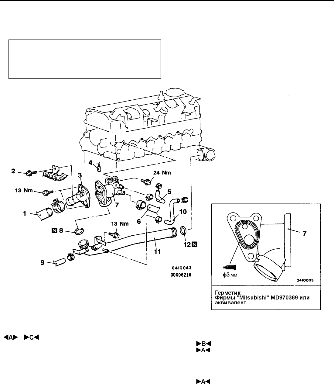
ШЛА НГИ И ТРУБА СИСТЕМЫ ОХЛАЖДЕНИЯ
СНЯТИЕ И УСТАНОВКА
<4G6>
Предварительные и заключительные операции
• Слив и заливка охлаждающей жидкости двигателя
(См. стр. 14 – 10)
• Снятие и установка воздушного фильтра и
впускного шланга в сборе.
Последовательнос ть снятия
1. Соединение нижнего шланга радиатора
2. Болт крепления скобы жгута проводов
системы управления
3. Впускной патрубок термостата
4. Разъем датчика температуры
охлаждающей жидкости двигателя
5. Шланг системы охлаждения
6. Соединение шланга отопителя
7. Корпус термостата в сборе
8. Кольцевая прокладка
9. Соединение шланга отопителя
10. Шланг системы охлаждения
11. Подводящая труба системы
охлаждения в сборе
12. Кольцевая прокладка