Manual

Система управления двигателем и
системы снижения токсичности
- Системы снижения токсичности <Двигатели
с
р
асп
р
еделенным вп
р
ыском топлива
(
МРI
)
>
17-42
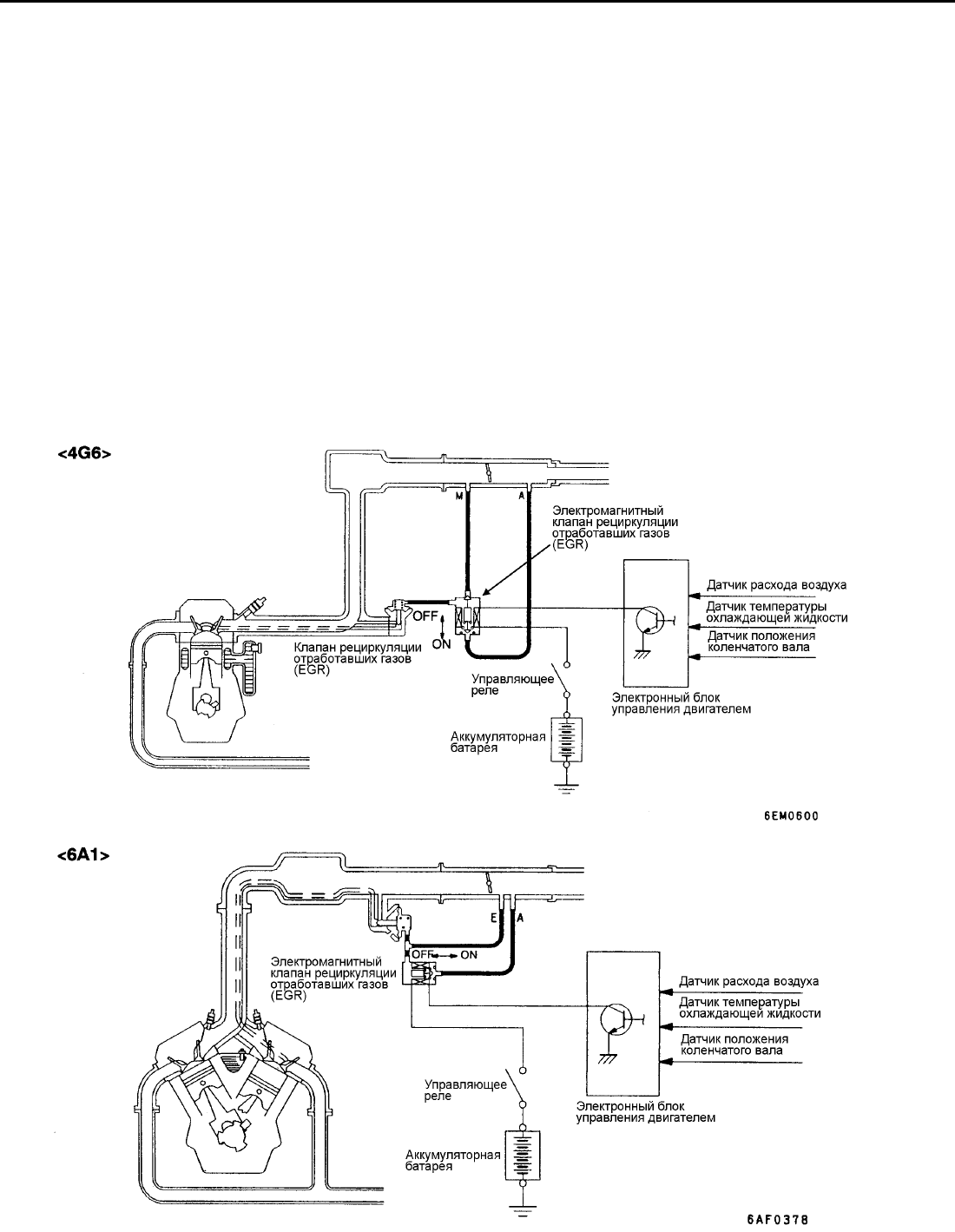
СИСТЕМ А РЕЦИРКУЛЯЦИИ ОТРАБОТАВШИХ ГАЗОВ (EGR)
ОБЩАЯ ИНФОРМАЦИЯ
Система рециркуляции отработавших газов (EGR) снижает
выбросы оксидов азота (NOx). При высокой температуре
сгорающей в камере сгорания топливовоздушной смеси
образуется большое количество оксидов азота (NOх).
Система рециркуляции ОГ направляет часть отработавших
газов из выпускного канала головки блока цилиндров через
впускной коллектор обратно в камеры сгорания, снижая
тем самым температуру сгорания топливовоздушной
смеси, вследствие чего происходит снижение
концентрации оксидов азота.
Степень рециркуляции отработавших газов
регулируется клапаном рециркуляции отработавших
газов (EGR), чтобы не ухудшать стабильность работы
двигателя.
ПРИНЦИП ДЕЙСТВИЯ СИСТЕМЫ
Клапан рециркуляции ОГ (EGR) закрыт и рециркуляции
отработавших газов не происходит при одном из указанных
ниже условий: На всех остальных режимах клапан
рециркуляции отработавших газов (EGR) открыт, и
происходит рециркуляция отработавших газов.
• Низкая температура охлаждающей жидкости
двигателя
• Двигатель работает на режиме холостого хода
• Дроссельная заслонка открыта на большой угол
ПРИНЦИПИАЛЬНАЯ СХЕМА СИСТЕМЫ