Manual

SRS - Датчик бокового удара
52B-38
ДАТЧИК БОКОВОГО УДАРА
Внимание:
1. Отсоедините (-) клемму аккумуляторной батареи и
подождите 60 сек унд или дольше перед началом
работы. Более того, отсоединенный вывод аккуму-
ляторной батареи должен быть обмотан изоляци-
онной лентой (См. стр. 52В-4).
2. Никогда не пы тайтесь разобрать или отремонтиро-
вать датчик бокового удара. Если он неисправен,
замените его.
3. Не роняйте и не подвергайт е датчик ударам или
вибрации.
При обнаружении вмятин, трещин, деформаций
или коррозии на датчике бокового удара, заме-
ните его на новый. Утилизируйте старый дат-
чик.
4. После раскрытия подушки безопасности, заме-
ните датчик бокового удара на новый.
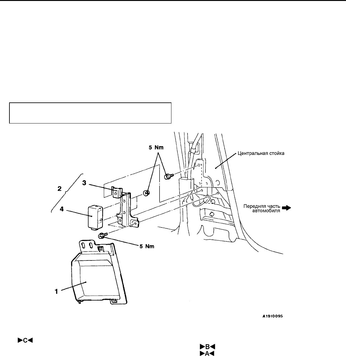
СНЯТИЕ И УСТАНОВКА
Предварительная операция
Поверните ключ зажигания в положение “LOCK”.
3. Кронштейн
4. Датчик бокового удара
• Проверка перед установкой
Последовательнос ть снятия деталей
• Проверка правильности установки
• Отсоединение отрицательной (-) клеммы
аккумуляторной батареи
• Нижняя облицовка центральной стойки
(См. Главу 52А).
• Ремень безопасности с преднатяжителем
(См. стр. 52В-40)
1. Водонепроницаемая крышка
2. Кронштейн и датчик бокового удара
ПРИМЕЧАНИЕ:
На рисунке сверху показан левый датчик бокового удара.
Положение правого датчика бокового удара симметричное.