Installation Instructions

44 Allure B-10 HRD Uitgave E juli 2013
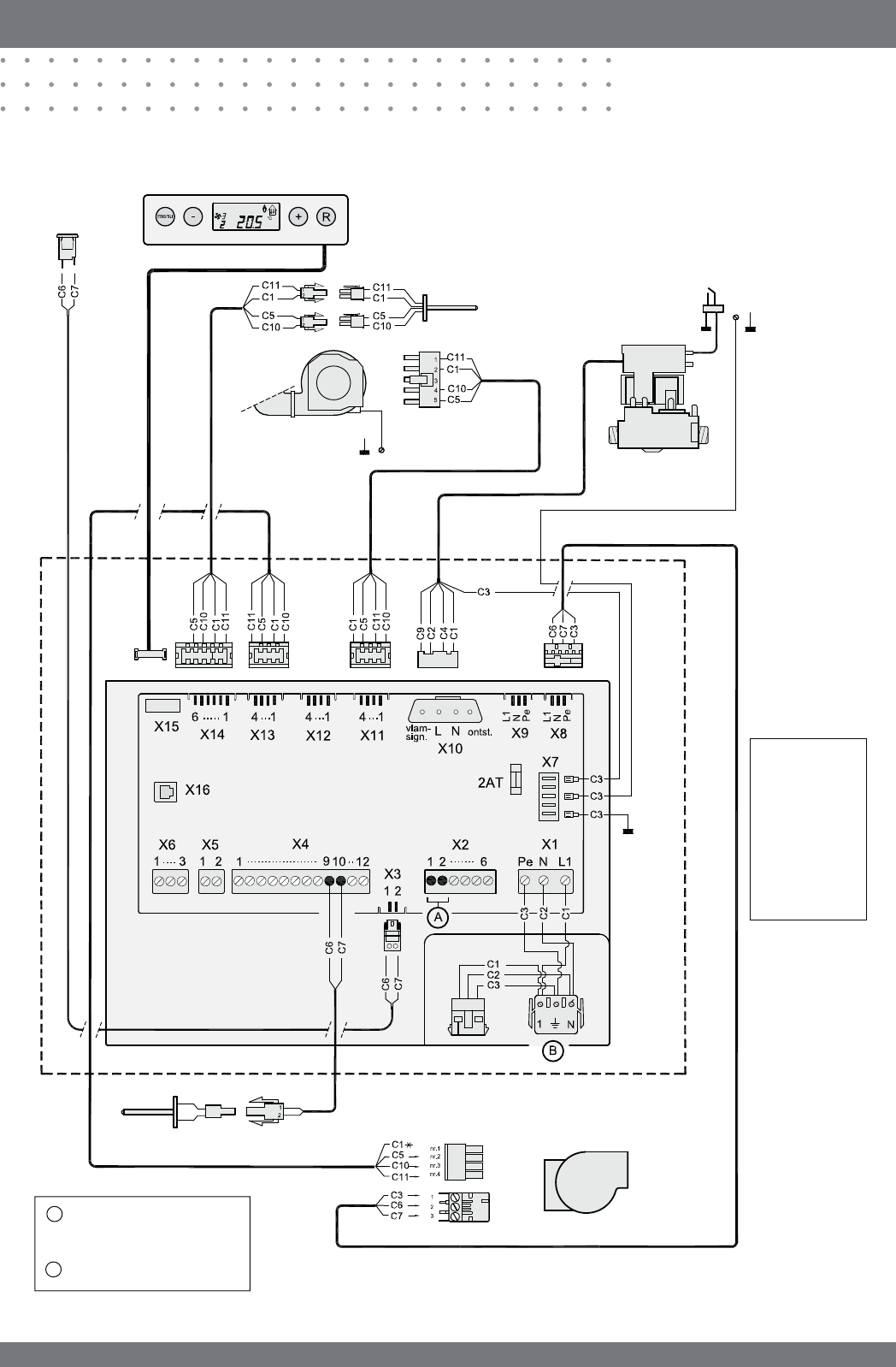
Hoofdstuk 8 Elektrische schema’s
8.1 Bedradingsschema
C1 = bruin
C2 = blauw
C3 = groen/geel
C4 = zwart
C5 = wit
C6 = draad nr.1
C7 = draad nr.2
C9 = rood
C10 = geel
C11 = groen
Ontsteekpen
Beveiligings-
afsluiter
Maximaal-
beveiliging
Rookgasventilator
Display en bedieningspaneel
Computer
aansluiting
Systeem-
ventilator
Aansluiting ruimtethermostaat
;;
'HQNRPSRODULWHLW
Aansluiting voeding 230 V.
Luchttemperatuurvoeler
A
B