Owner manual

20ETS...SPbF SAFEIR Series
Bulletin I2109 rev A 08/06
10.16 (0.40)
REF.
8.89 (0.35)
4.57 (0.18)
4.32 (0.17)
0.61 (0.02) MAX.
5.08 (0.20) REF.
1.32 (0.05)
1.22 (0.05)
13
6.47 (0.25)
6.18 (0.24)
93°
REF.
2.61 (0.10)
2.32 (0.09)
5.28 (0.21)
4.78 (0.19)
4.69 (0.18)
4.20 (0.16)
0.55 (0.02)
0.46 (0.02)
14.73 (0.58)
15.49 (0.61)
1.40 (0.055)
1.14 (0.045)
3X
0.93 (0.37)
0.69 (0.27)
2X
11.43 (0.45)
17.78 (0.70)
8.89 (0.35)
3.81 (0.15)
2.08 (0.08)
2X
2.54 (0.10)
2X
MINIMUM RECOMMENDED FOOTPRINT
2
D
2
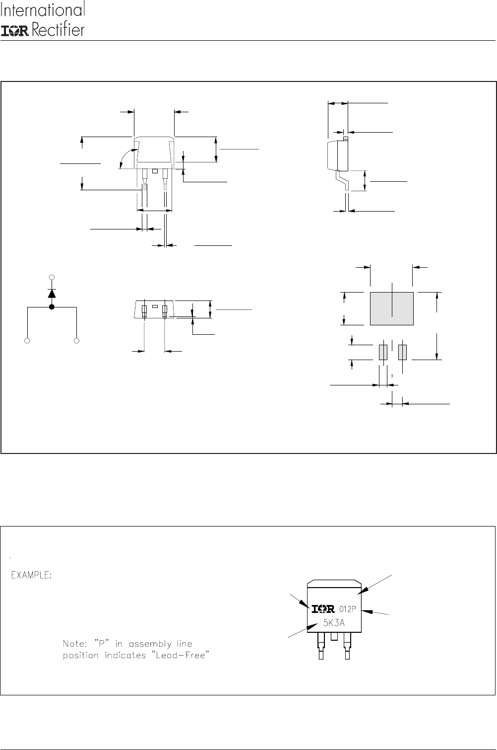
Pak (SMD-220)
Dimensions in millimeters and inches
Anode
1
3
Base
Cathode
2
Anode
Marking Information
ASSEMBLED ON WW 12, 2000
LOT CODE 5K3A
RECTIFIER
LOGO
LOT CODE
ASSEMBLY
INTERNATIONAL
PART NUMBER
DATE CODE
YEAR 0 = 2000
WEEK 12
P = LEAD-FREE
THIS IS A 20ETS12S WITH
20ETS12S
Outline Table
Document Number: 94340
www.vishay.com
5








