Owner manual

20ETS...SPbF SAFEIR Series
Bulletin I2109 rev A 08/06
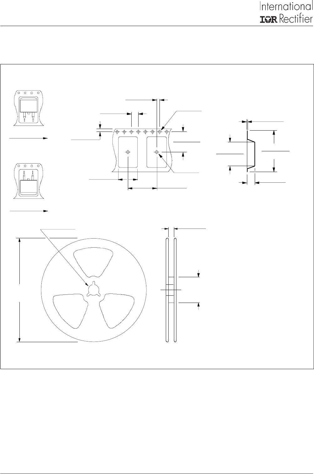
Dimensions in millimeters and inches
TRR
FEED DIR ECTION
TRL
FEED DIRECTION
10.90 (0.429)
10.70 (0.421)
16.10 (0.634)
15.90 (0.626)
1.75 (0 .06 9)
1.25 (0 .04 9)
1.85 (0.073)
1.65 (0.065)
4.10 (0.161)
3.90 (0.153)
1.60 (0.063)
1.50 (0.059)
DIA.
1.60 (0.063)
1.50 (0.059)
DIA.
11 .60 ( 0.4 57)
11 .40 ( 0.4 49)
15 .42 (0.6 09)
15 .22 (0.6 01)
4.72 (0.186)
4.52 (0.178)
24.30 (0.957)
23.90 (0.941)
0.368 (0.0145)
0.342 (0.0135)
360 (14.173)
DIA. MAX.
26.40 (1.039)
24.40 (0.961)
13.50 (0.532)
12.80 (0.504)
DIA.
60 (2 .36 2)
DIA. MIN.
SMD-220 Tape & Reel
When ordering, indicate the part
number, part orientation, and the
quantity. Quantitie s are in multiples
of 800 p ieces p er reel for bo th
TRL and TRR.
Tape & Reel Information
Document Number: 94340
www.vishay.com
6








