User guide

20ETS12PbF SAFEIR Series
Bulletin I2192 12/04
3.78 (0.15)
3.54 (0.14)
10.54 (0.41)
MAX.
DIA.
15.24 (0.60)
14.84 (0.58)
2.92 (0.11)
2.54 (0.10)
1
TERM 2
14.09 (0.55)
13.47 (0.53)
3.96 (0.16)
3.55 (0.14)
0.94 (0.04)
0.69 (0.03)
4.57 (0.18)
4.32 (0.17)
3
0.61 (0.02) MAX.
5.08 (0.20) REF.
1.32 (0.05)
1.22 (0.05)
6.48 (0.25)
6.23 (0.24)
2°
0.10 (0.004)
1.40 (0.05)
1.15 (0.04)
2.89 (0.11)
2.64 (0.10)
1
3
2.04 (0.080) MAX.
2
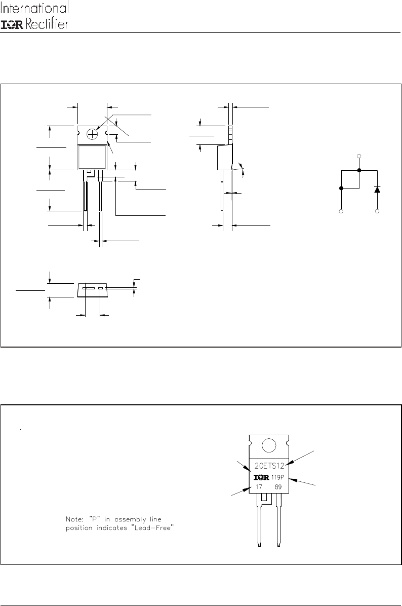
Outline Table
TO-220AC
Dimensions in millimeters (inches)
Anode
1
3
Cathode
Base
Cathode
2
LOT CODE
ASSEMBLY
RECTIFIER
INTERNATIONAL
IRMX Assembly Line
EXAMPLE:
ASSEMBLED ON WW 19, 2001
IN THE ASSEMBLY LINE "C"
LOT CODE 1789
LOGO
P = LEAD-FREE
PART NUMBER
WEEK 19
YEAR 1 = 2001
DATE CODE
THIS IS A 20ETS12
Part Marking Information
Document Number: 94341
www.vishay.com
5







