Owner manual

1
Trench Gate Design
Dual IGBTMOD™
100 Amperes/1200 Volts
CM100DU-24F
Powerex, Inc., 200 E. Hillis Street, Youngwood, Pennsylvania 15697-1800 (724) 925-7272
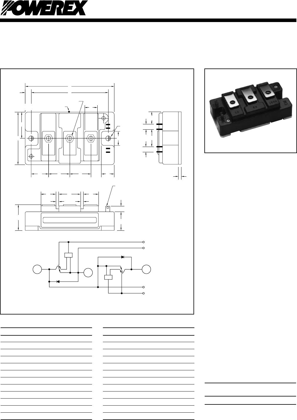
Outline Drawing and Circuit Diagram
1
Description:
Powerex IGBTMOD™ Modules
are designed for use in switching
applications. Each module con-
sists of two IGBT Transistors in a
half-bridge configuration with each
transistor having a reverse-con-
nected super-fast recovery free-
wheel diode. All components and
interconnects are isolated from the
heat sinking baseplate, offering
simplified system assembly and
thermal management.
Features:
£ Low Drive Power
£ Low V
CE(sat)
£ Discrete Super-Fast Recovery
Free-Wheel Diode
£ Isolated Baseplate for Easy
Heat Sinking
Applications:
£ AC Motor Control
£ UPS
£ Battery Powered Supplies
Ordering Information:
Example: Select the complete
module number you desire from
the table - i.e. CM100DU-24F is a
1200V (V
CES
), 100 Ampere Dual
IGBTMOD™ Power Module.
Current Rating V
CES
Type Amperes Volts (x 50)
CM 100 24
Dimensions Inches Millimeters
A 3.70 94.0
B 1.89 48.0
C 1.18 +0.04/-0.02 30.0 +1.0/-0.5
D 3.15±0.01 80.0±0.25
E 0.43 11.0
F 0.16 4.0
G 0.71 18.0
H 0.02 0.5
J 0.53 13.5
K 0.91 23.0
L 0.83 21.2
M 0.67 17.0
Dimensions Inches Millimeters
N 0.28 7.0
P M5 M5
Q Dia. 0.26 6.5 Dia.
R 0.02 4.0
S 0.30 7.5
T 0.63 16.0
U 0.10 2.5
V 1.0 25.0
W 0.94 24.0
X 0.51 13.0
Y 0.47 12.0
Z 0.47 12.0
Q (2
PLACES)
CM
A
B
W
C
D
R
U U
TVT
K K
P - NUTS (3 TYP)
C2E1 E2 C1
X
M
N
E
F
G
F
J
Y
L
S
H (4
PLACES)
E2 G2G1 E1
T
C
MEASURED POINT
C2E1
RT
C
RT
C
E2
E1
G1
C1
E2
G2





