User Manual

177
Single IGBTMOD™
H-Series Module
600 Amperes/600 Volts
CM600HA-12H
Powerex, Inc., 200 Hillis Street, Youngwood, Pennsylvania 15697-1800 (724) 925-7272
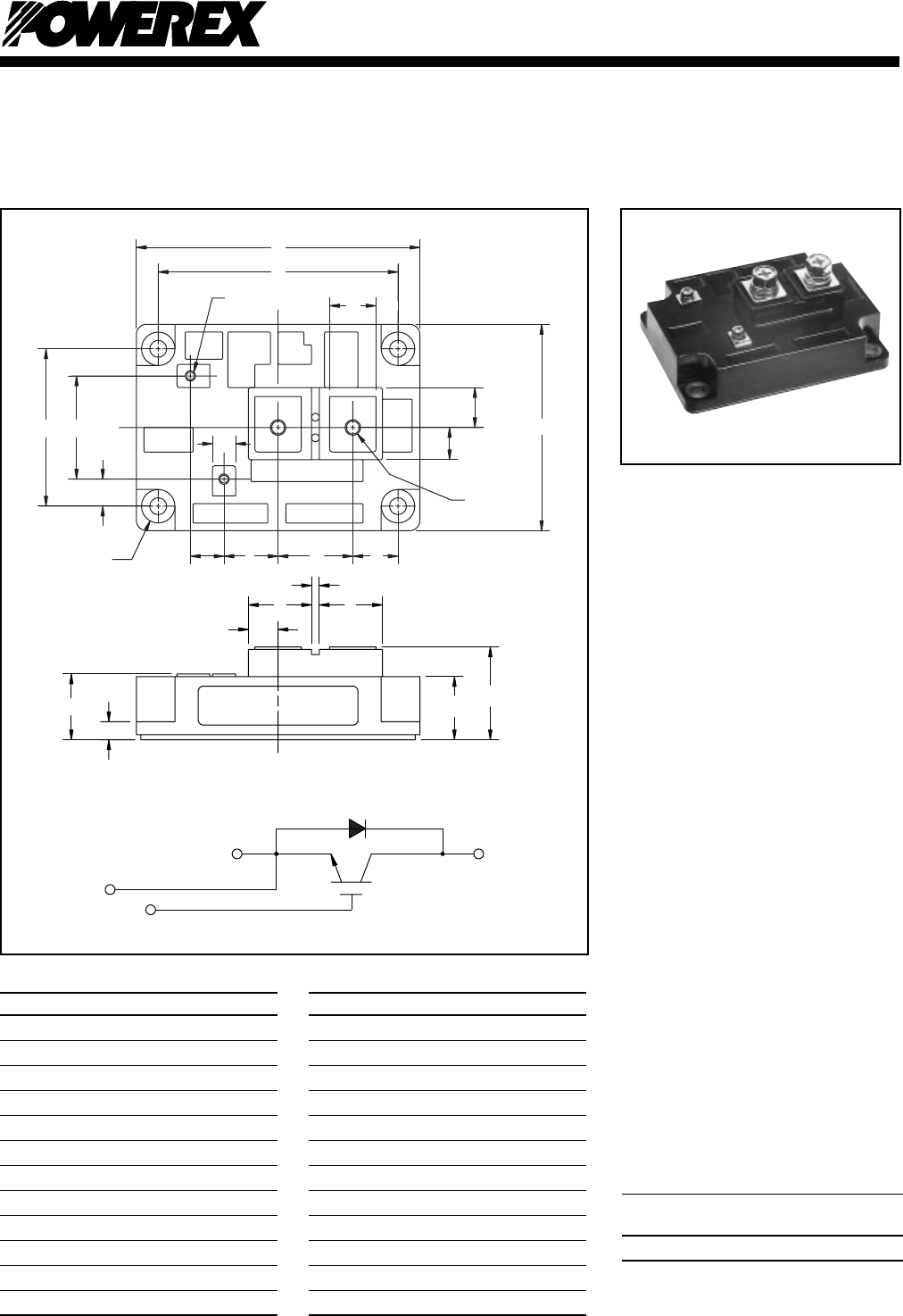
Outline Drawing and Circuit Diagram
Description:
Powerex IGBTMOD™ Modules
are designed for use in switching
applications. Each module consists
of one IGBT Transistor in a single
configuration with a reverse-
connected super-fast recovery
free-wheel diode. All components
and interconnects are isolated
from the heat sinking baseplate,
offering simplified system assem-
bly and thermal management.
Features:
□ Low Drive Power
□ Low V
CE(sat)
□ Discrete Super-Fast Recovery
(70ns) Free-Wheel Diode
□ High Frequency Operation
(20-25kHz)
□ Isolated Baseplate for Easy
Heat Sinking
Applications:
□ AC Motor Control
□ Motion/Servo Control
□ UPS
□ Welding Power Supplies
□ Laser Power Supplies
Ordering Information:
Example: Select the complete part
module number you desire from
the table below -i.e. CM600HA-12H
is a 600V (V
CES
), 600 Ampere
Single IGBTMOD™ Power Module.
Type Current Rating V
CES
Amperes Volts (x 50)
CM 600 12
W
H
K
F
S
J J
Z
E
C
E
G
U
M
C
A
R
P
B
T
ED
Q
L G
N
Y - THD (2 TYP.)
V - THD
(2 TYP.)
X - DIA.
(4 TYP.)
E
E
C
G
Dimensions Inches Millimeters
A 4.33 110.0
B 3.15 80.0
C 3.66±0.008 93.0±0.25
D 2.44±0.008 62.0±0.25
E 1.57 40.0
F 1.42 Max. 36.0 Max.
G 1.14 29.0
H 1.00 Max. 25.5 Max.
J 0.96 25.0
K 0.94 24.5
L 0.83 21.0
M 0.71 18.0
Dimensions Inches Millimeters
N 0.69 17.5
P 0.61 15.5
Q 0.51 13.0
R 0.49 12.5
S 0.45 11.5
T 0.43 11.0
U 0.35 9.0
V M8 Metric M8
W 0.28 7.0
X 0.256 Dia. Dia. 6.50
Y M4 Metric M4
Z 0.12 3.04





