User guide

Outline Dimensions
www.vishay.com
Vishay Semiconductors
Revision: 02-Aug-12
1
Document Number: 95423
For technical questions within your region: DiodesAmericas@vishay.com
, DiodesAsia@vishay.com, DiodesEurope@vishay.com
THIS DOCUMENT IS SUBJECT TO CHANGE WITHOUT NOTICE. THE PRODUCTS DESCRIBED HEREIN AND THIS DOCUMENT
ARE SUBJECT TO SPECIFIC DISCLAIMERS, SET FORTH AT www.vishay.com/doc?91000
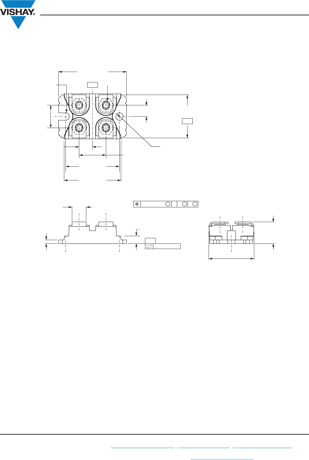
SOT-227 Generation II
DIMENSIONS in millimeters (inches)
Note
• Controlling dimension: millimeter
38.30 (1.508)
37.80 (1.488)
-A-
12.50 (0.492)
13.00 (0.512)
7.45 (0.293)
7.60 (0.299)
Ø 4.10 (0.161)
Ø 4.30 (0.169)
30.50 (1.200)
29.80 (1.173)
31.50 (1.240)
32.10 (1.264)
14.90 (0.587)
15.20 (0.598)
6.25 (0.246)
6.50 (0.256)
25.70 (1.012)
24.70 (0.972)
2.10 (0.083)
2.20 (0.087)
-B-
R full
2.20 (0.087)
1.90 (0.075)
8.30 (0.327)
7.70 (0.303)
4 x
4.10 (0.161)
4.50 (0.177)
-C-
0.13 (0.005)
12.30 (0.484)
11.70 (0.460)
25.00 (0.984)
25.50 (1.004)
M M M
0.25 (0.010)
CA B
4 x M4 nuts









