User Manual

GXLD
GXLD2
Digital Single and Dual
Wireless Microphone Systems
2
Introduction
Please enjoy the easy and exciting performance that the GXL™
Digital Wireless Series provides for your next performance.
CAD Audio has been creating valued product since 1931 and
prides itself on developing and supporting the live performer. Our
design criterion was straightforward. Develop a high value wireless
microphone system that can cope with today’s challenging RF
environment that is both easy to use and exciting to operate.
The GXLD/GXLD2 Wireless includes the following features:
• Each channel has an RF indicator light that indicates
the presence of connectivity.
• Digital High Denition Audio
• Advanced dipole antenna technology for increased
operating range.
• Multiple output options on the receiver for maximum
performance and exibility of use.
- Professional balanced XLRM-type discrete output
- ¼ inch unbalanced output for easy connection to
unbalanced ¼ inch input.
• Handheld transmitters feature the CADLive™ D38 capsule
• Handheld transmitter outtted with on/off and mute function
for exibility of use.
• Bodypack transmitter outtted with on/off, mute function
for exibility of use.
• Handheld transmitter features battery life indicator.
• Battery life of >10hrs.
• All Bodypack systems ship with WXGTR guitar cable and
WXHW condenser headworn mic included.
7
The GXLD/GXLD2 system is available in the following frequencies:
AH = 902.9MHz / 915.5MHz
A
I = 909.3MHz / 926.8MHz
Channelization
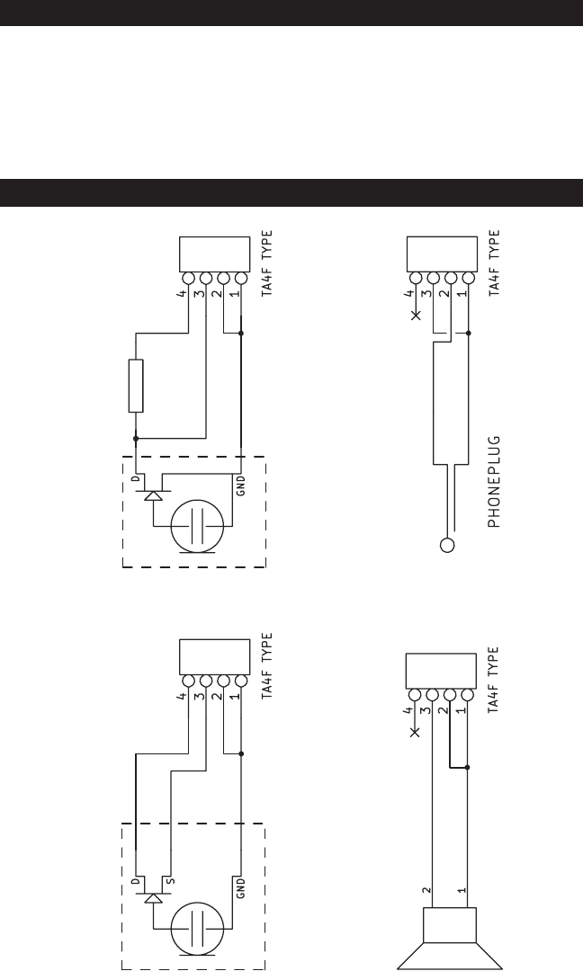
Interfacing to TXBGXLD input connector
3k3
3k3
3-wire type electret mic
2-wire type electret mic
3k3
3k3
Dynamic mic
Instrument




