Operating Instructions and Installation Instructions

Table Of Contents
35
AQUOS - IBIS - IDRON
FR
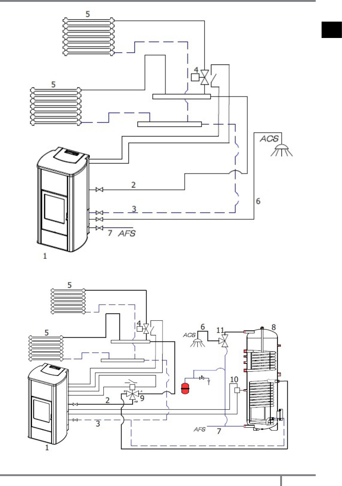
Fig. 27 - Conguration 2.1 (reglade en usine version avec eau chaude sanitaire - ACS)
Fig. 28 - Conguration 2.2