
12
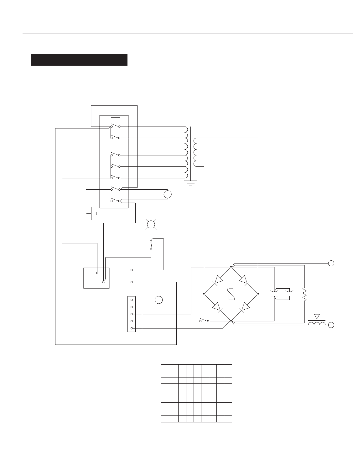
WG4000 Wiring Diagram
Wire Feed Arc Welder
www.chpower.com
X
X
X
XX
XX
S1
XXX
6
X
XXX
5
X
A2
X
X
7
@ 127
o
C
OPENS
NC
S3
R
C2C1
-
+
J1
K1
J3
J2
COM
NO
+
-
Y
~
~
M
FAN~
A2
7
S3
DECK
L2
5
X
X
X
6
A1L2
34
L2L1
2
X
X
X
X
1
L1
4
3
2
1
OFF
S1
T1
T2
-
+
GUN
S2
DRIVE
M
BLACK
WHITE
GREEN
6
5
4
3
2
1
A1
L2
L1