Welder User Manual
Manuals
Brands
Campbell Hausfeld Manuals
Welding System
WG4000
21
22
23
24
25
26
27
28
29
30
28 Fr
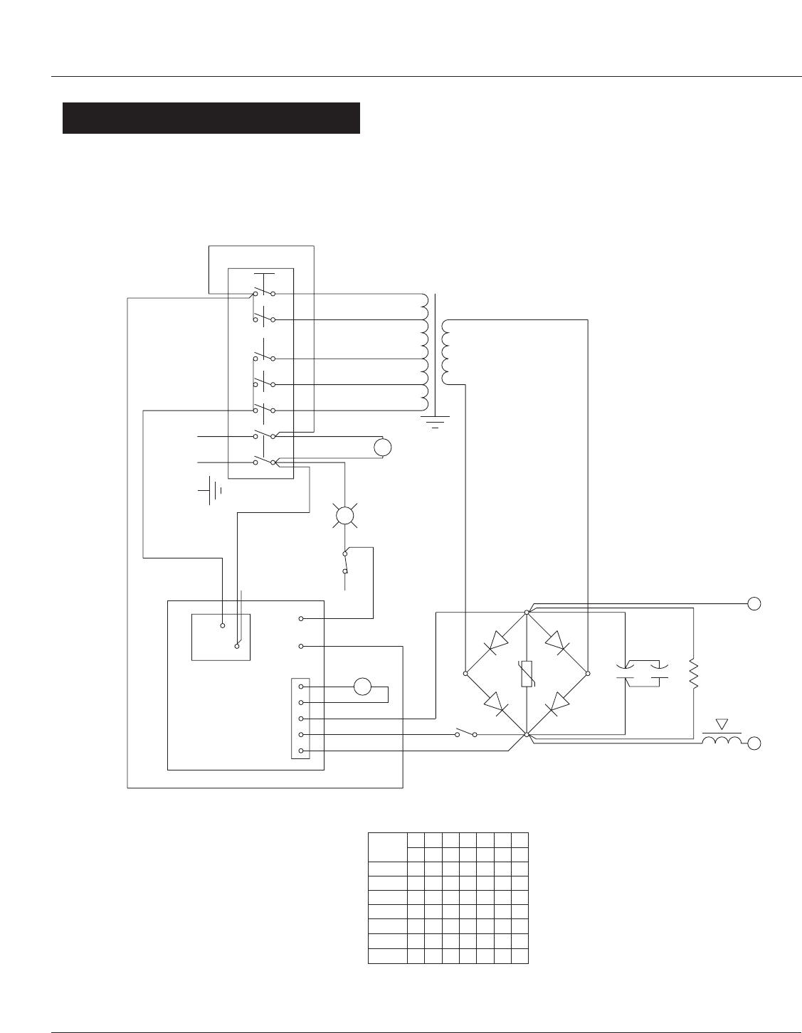
WG4000 Diagramme de c
â
blage
Soudeur
À
L
’
Arc Aliment
é
En Fil
X
X
X
X
X
X
X
S1
XX
X
6
X
XX
X
5
X
A2
X
X
7
à 127
o
C
S'OUVRE
NC
S5
R
C2
C1
-
+
J1
K1
J3
J2
COM
NO
+
-
Y
~
~
M
VENTILATEUR~
A2
7
S3
D'ENTRAÎNMENT
L2
5
X
X
X
6
A1
L2
34
L2
L1
2
X
X
X
X
1
L1
4
3
2
1
OFF
S1
T1
T2
-
+
PISTOLET
S2
PLATFORME
M
NOIR
BLANC
VERT
6
5
4
3
2
1
A1
L2
L1
1
...
...
26
27
28
29
30
...
...
48