Installation Guide

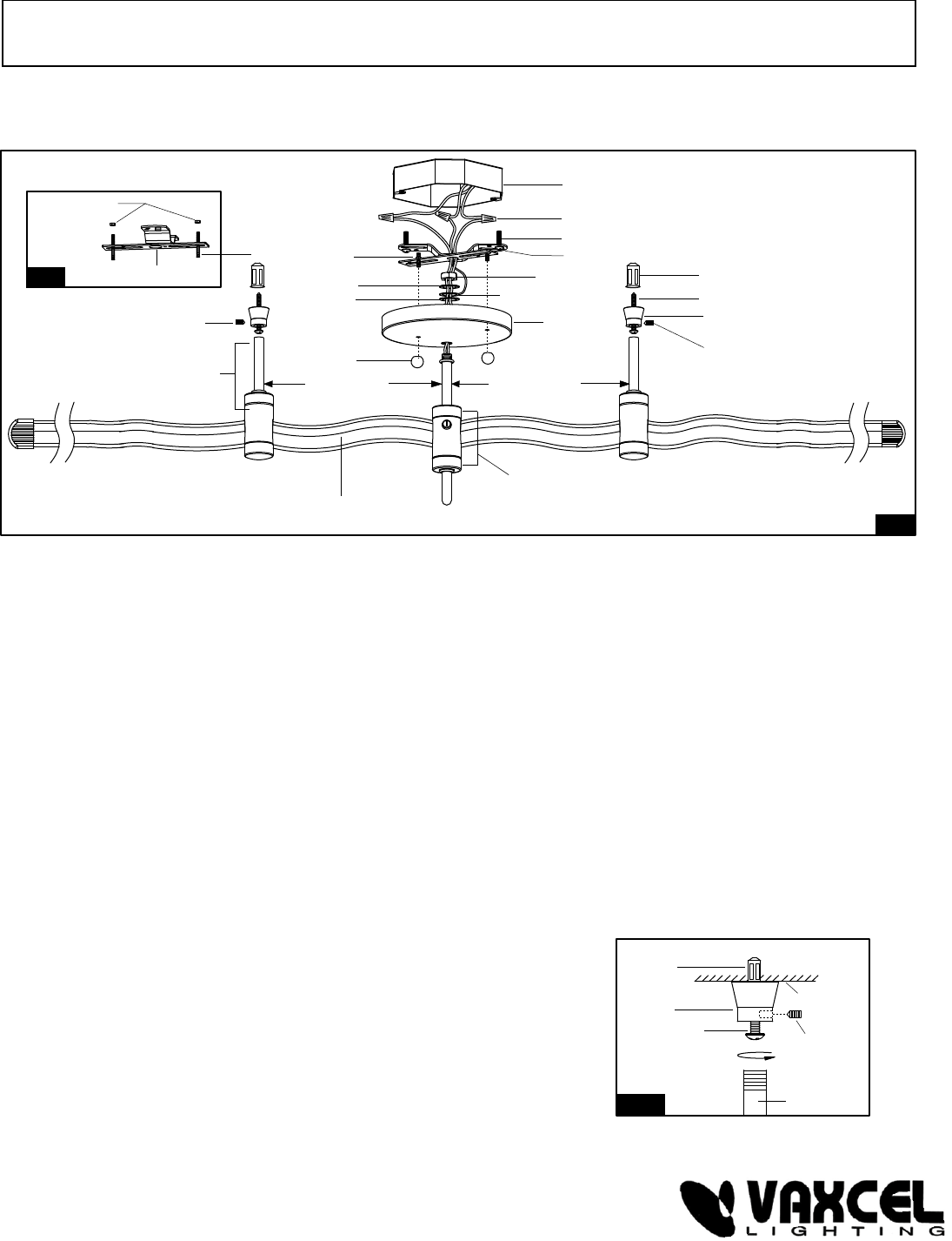
1. Thread the fixture wires, grounding wire and pipe through the central hole of the canopy, and then secure it
with a metal pad, grounding pad, washer and hex nut.
(NOTE: Adjust the position of the pipe to make sure the connector is vertical to the center of the
canopy for the best electric contact.)
2. Attach two headless screws to the cross bar and secure them with two lock nuts. (See Fig.1)
NOTE: Adjust the length of the headless screws by using the lock nuts if necessary.
3. Attach the cross bar to the outlet box, and then secure it with two mounting screws.
4. Make wire connections with wire nuts:
---The black wire from connector to the black wire from power source.
---The white wire from connector to the white wire from power source.
---The ground wire to the house ground wire from power source.
Carefully tuck the wires into the outlet box.
5. Attach the canopy to the cross bar by inserting the headless screws, and then secure it with two ball nuts.
Outlet Box
Wire nut
Mounting Screw
Cross bar
Lock Nut
Cross bar
Metal Pad
Canopy
Drywall screw
Sleeves
Flexible Track
Rail Support
Headless Screw
Hex Nut
Washer
Ball Nut
14~18 inches
Drywall Screw
Pipe
Sleeve
Anchor
Ceiling
Set Screw
Set Screw
14 ~18 inches
Fig. 3
Fig. 1
Fig. 2
Grounding Pad
Anchor
Set Screw
Connector
1. Mark two desired positions and drill them on the ceiling for two rail
supports on the side of the canopy. (See Fig. 2)
(NOTE: Center the canopy between two rail supports and The
distance between each rail support and the canopy is 14 ~ 18
inches. So the remainder length of the flexible track could be
bent to a wonderful arc.
2. Unscrew the sleeves from the rail supports. Attach two anchors to
the drilled positions and secure sleeves by threading two drywall
screws into the anchors. Then thread the pipe of rail supports into
the sleeves tightly. (See Fig.3)
Rail support and Flexible track installation:
070419
CB31455 --- Page 1
Canopy installation:(See Fig. 2)
ASSEMBLY AND INSTALLATION
INSTRUCTIONS
WARNING: BE SURE TO SHUT OFF POWER AT THE MAIN FUSE OR CIRCUIT
BREAKER BOX BEFORE INSTALLING OR SERVICING THIS FIXTURE.
NOTE: 1. Before installing, consult local electrical codes for wiring and grounding requirements.
2. Please read these instructions carefully before installing this fixture. If you are not
familiar with installations, please consult a qualified electrician.
CB31455
(Track Light Sold Separately)