User manual - プリンタライブラリマニュアルver.1.06(2014年6月13日)
Table Of Contents
- 表紙
- プリンタライブラリ.pdf
- 1. 概要
- 2. 動作環境
- 3. 関数
- 3.1 PRNOpen
- 3.2 PRNClose
- 3.3 PRNInitializePrinter
- 3.4 PRNPrintScreen
- 3.5 PRNPrintWindow
- 3.6 PRNTextOut
- 3.7 PRNImageOut
- 3.8 PRNBarcodeOut
- 3.9 PRNBMPOut
- 3.10 PRNCheckMarker
- 3.11 PRNGetStatus
- 3.12 PRNGetLastError
- 3.13 PRNSetPaperWidth
- 3.14 PRNGetPaperWidth
- 3.15 PRNSetPrinterProperty
- 3.16 PRNGetPrinterProperty
- 3.17 PRNDecodeBarcode
- 3.18 PRNResetDecoder
- 3.19 PRNSetBarcodeType
- 3.20 PRNGetBarcodeType
- 4. プログラミング上の注意点
- 5. ESCコマンド
- 6. DeviceEmulator
- 裏表紙(他のマニュアル用)

39
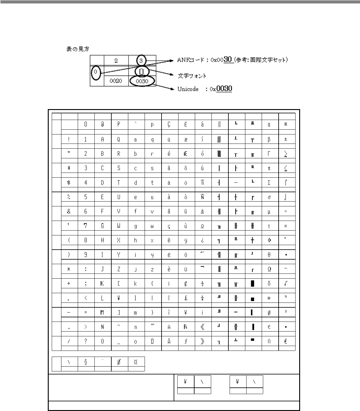
4.2 フォントテーブル
表 4-2 ANK/OCR-B のフォントテーブルを記載します。
23456789ABCDEF
0020 0030 0040 0050 0060 0070 00C7 00C9 00E1 2591 2514 2568 03B1 2261
0021 0031 0041 0051 0061 0071 00FC 00E6 00ED 2592 2534 2564 00DF 00B1
0022 0032 0042 0052 0062 0072 00E9 00C6 00F3 2593 252C 2565 0393 2265
0023 0033 0043 0053 0063 0073 00E2 00F4 00FA 2502 251C 2559 03C0 2264
0024 0034 0044 0054 0064 0074 00E4 00F6 00F1 2524 2500 2558 03A3 2320
0025 0035 0045 0055 0065 0075 00E0 00F2 00D1 2561 253C 2552 03C3 2321
0026 0036 0046 0056 0066 0076 00E5 00FB 00AA 2562 255E 2553 00B5 00F7
0027 0037 0047 0057 0067 0077 00E7 00F9 00BA 2556 255F 256B 03C4 2248
0028 0038 0048 0058 0068 0078 00EA 00FF 00BF 2555 255A 256A 03A6 00B0
0029 0039 0049 0059 0069 0079 00EB 00D6 2310 2563 2554 2518 0398 2219
002A 003A 004A 005A 006A 007A 00E8 00DC 00AC 2551 2569 250C 03A9 00AD
002B 003B 004B 005B 006B 007B 00EF 00A2 00BD 2557 2566 2588 03B4 221A
002C 003C 004C
*
006C 007C 00EE 00A3 00BC 255D 2560 2584 221E 207F
002D 003D 004D 005D 006D 007D 00EC
*
00A1 255C 2550 258C 00F8 00B2
002E 003E 004E 005E 006E 007E 00C4 20A7 00AB 255B 256C 2590 03B5 FFED
002F 003F 004F 005F 006F 007F 00C5 0192 00BB 2510 2567 2580 2229 20AC
*
00A7 00A8 00D8 00A4
F
B
C
D
E
2
3
4
0
1
5
6
7
8
9
A
ANK Code 0x005C と 0x009D については、日本語版
と英語版で Unicode が異なります。
005C E041 00A5 005C
English VersionJapanese Version