Instruction Manual

Table Of Contents
DS782DB1 17
CDB4349
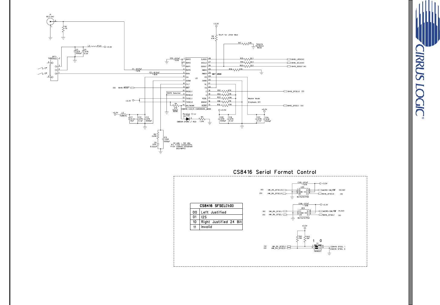
Figure 38. CS8416 S/PDIF Input