User Manual
Table Of Contents
- Features
- Table of Contents
- List of Figures
- 1. Hardware
- 2. Software
- 2.1 Installation Procedure
- 2.2 Using the Software
- 2.3 Start-up Window
- 2.4 Connect Menu
- 2.5 System Menu
- 2.5.1 Setup Window
- 2.5.1.1 Refresh Screen Button
- 2.5.1.2 Reset DUT Button
- 2.5.1.3 Save Config and Load Config Buttons
- 2.5.1.4 CS5480 MCLK Frequency
- 2.5.1.5 Configuration Registers
- 2.5.1.6 Pulse Control Register
- 2.5.1.7 Pulse Width and Pulse Rate Registers
- 2.5.1.8 Phase Compensation
- 2.5.1.9 Integrator Gain, System Gain
- 2.5.1.10 Sample Count, Cycle Count, Settle Time
- 2.5.1.11 Epsilon
- 2.5.1.12 ZXNUM
- 2.5.1.13 Mask Register
- 2.5.1.14 Temperature Registers
- 2.5.1.15 Zero-crossing Level and No Load Threshold
- 2.5.1.16 V1/V2 Sag, V1/ V2 Swell, and I1/I2 Overcurrent Registers
- 2.5.1.17 Channel Selection Level, Channel Select Minimum Amplitude, and Voltage Fixed RMS Reference Registers
- 2.5.1.18 Register Checksum, SerialCtrl Registers
- 2.5.1 Setup Window
- 2.6 Calibration Window
- 2.7 Conversion Window
- 2.8 Cirrus Test Window
- 2.8.1 Data Collection Window
- 2.8.1.1 Time Domain / FFT/ Histogram Selector
- 2.8.1.2 Config Button
- 2.8.1.3 Collect Button
- 2.8.1.4 Output Button
- 2.8.1.5 Zoom Button
- 2.8.1.6 Channel Select Button
- 2.8.1.7 Output Button & Window
- 2.8.1.8 Configuration Window
- 2.8.1.9 Collecting Data Sets
- 2.8.1.10 Analyzing Data
- 2.8.1.11 Histogram Information
- 2.8.1.12 Frequency Domain Information
- 2.8.1.13 Time Domain Information
- 2.8.2 Data Collection to File Window
- 2.8.3 Setup and Test Window
- 2.8.1 Data Collection Window
- Appendix A. Bill Of Materials
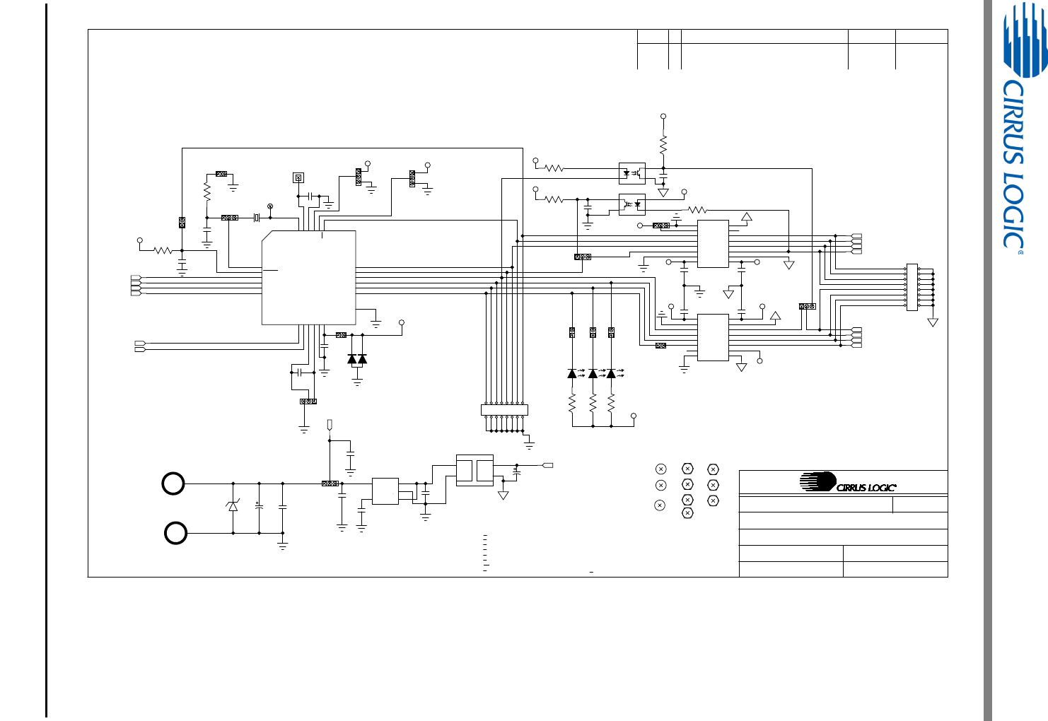
- Appendix B. Schematics
- Appendix C. Layer Plots

CDB5480U
DS893DB5 41
Figure 33. Schematic - CS5480 & Socket
REV D2
02/17/11
SCHEM CDB5480U-Z-NPb
CS5480+ISOLATION
Alan ZHAAlan ZHA
2
3
CHK BY/DATEINC BY/DATEDESCRIPTIONREVECO#
SIZE B
OF
SHEET
PART #
DESCRIPTION:
DRAWN BY:
DATE:
ENGINEER:
SHEET TITLE:
DO1
DO2
DO3
TX/SDO
RX/SDI
SCLK
CS
RESET
DO1
DO2
DO3
TX/SDO
RX/SDI
SCLK
CS
RESET
DIGI TALOPTO
DIGI TAL OPTO
VREF+
XIN_EXT
GND
GND
+3.3V
GND
+3.3V
+3.3V_2
VREF-
UART
SPI
GND
VDDA
VDDA GND
CRYSTAL
XIN_EXT
600-00474-Z1
AUXILIARY HARDWARE & RELATED DOCUMENTS:
1
VDD1
2
GND1
3
A1
4
A2
5
A3
6
A4
7
EN1
8
GND1
9
GND2
10
EN2
11
B4
12
B3
13
B2
14
B1
15
GND2
16
VDD2
U2
SI8440BB-D-IS1
1
VDD1
2
GND1
3
A1
4
A2
5
A3
6
A4
7
EN1
8
GND1
9
GND2
10
EN2
11
B4
12
B3
13
B2
14
B1
15
GND2
16
VDD2
U3
SI8440BB-D-IS1
1
A
23
E
4
C
U4
TLP781
1
A
23
E
4
C
U5
TLP781
1
2
34
56
78
910
1112
1314
1516
J17
HDR8X2
12
D1
DO1
12
D2
DO2
12
D3
DO3
R25
680
R26
680
R27
680
Y1
J15
MODE
J16
SSEL
J18
RX
R29
680
1
2
34
56
78
910
11 12
13 14
15 16
J19
HDR8X2
J20
TX
R30
5.1K
R31
5.1K
C13
0.01UF
X7R
C14
0.10uF
X7R
C15
0.10uF
X7R
C16
0.10uF
X7R
J21
VDDA
C17
1uF
C18
1uF
R32
680
C19
0.01UF
X7R
J23
RESET
R33
10K
C20
1uF
C21
1uF
J36
J37
12
Z1
P6KE6.8
6.8V
C30
47uF
ELEC
C31
0.1uF
X7R
TP9
XOUT
J38
VDDA
C32
4.7uF
X7R
C33
4.7uF
ELEC
J39
J40
J41
J43
XIN
J49
DO1/TEST2
J50
ASSY DW G-
603-00474-Z1
PCB DWG-
240-00474-Z1
SCHEMA TI C DW G
600-00474-Z1
LB L SUBA SSY PROD I D AN D REV
WIRE HOOK UP #6AWG STR BLU NPb
L-1.5X.25TX.25T_TY PE_E_
MH1
MH2
MH3
MH4
MH5
1
FD1
1
FD2
1
FD3
SOCKET 1P-
8134-HC-5P2
R55
130
C3
15pF
COG
1
2
3
Z3
CTES033V3-G
J57
VDDD
J58
J48
SCREW-PHILIPS-4-40THR-PH-5/16-L-Z
PMSSS 440 0031 PH
MH6
MH7
SHUNT_2P-
15-29-1025
C10
0.1uF
X7R
1
XIN
2
RESET
3
IIN1-
4
IIN1+
5
VIN+
6
VIN-
7
IIN2-
8
IIN2+
9
VREF-
10
VREF+
11
GNDA
12
VDDA
13
DO1
14
DO2
15
DO3
16
TX/SDO
17
RX/SDI
18
SCLK
19
CS
20
SSEL
21
MODE
22
GNDD
23
VDDD
24
XOUT
PAD
THERM
U1
CS5480-INZ
C7
1UF
X7R
1
VIN
2
GND
3
ON
5
VOUT
4
BPS
U9
C8
0.1uF
X7R
C36
4.7uF
X7R
DCDC
2
+VIN
1
-VIN
4
-VO
5
+VO
U8
VBT1-S5-S5-SMT
LABEL ROHS
LPP0054
SDO
DO3
DO2
DO1
SDI
SCLK
CS
RESET
VDDA
VDDA
VDDA
VDDA
IIN1+
IIN1-
VIN-
VIN+
VDDA
VDDA
+3.3V_1
+3.3V_1
VDDA
+3.3V_1
+3.3V_1
VDDA
+3.3V_1
VDDA
VDDA
GND1
GND1
GND1
GND1
GND1
GND1
IIN2+
IIN2-
VDDA
GND1
GND1
+5V










