User Manual
Table Of Contents
- Features
- Table of Contents
- List of Figures
- 1. Hardware
- 2. Software
- 2.1 Installation Procedure
- 2.2 Using the Software
- 2.3 Start-up Window
- 2.4 Connect Menu
- 2.5 System Menu
- 2.5.1 Setup Window
- 2.5.1.1 Refresh Screen Button
- 2.5.1.2 Reset DUT Button
- 2.5.1.3 Save Config and Load Config Buttons
- 2.5.1.4 CS5480 MCLK Frequency
- 2.5.1.5 Configuration Registers
- 2.5.1.6 Pulse Control Register
- 2.5.1.7 Pulse Width and Pulse Rate Registers
- 2.5.1.8 Phase Compensation
- 2.5.1.9 Integrator Gain, System Gain
- 2.5.1.10 Sample Count, Cycle Count, Settle Time
- 2.5.1.11 Epsilon
- 2.5.1.12 ZXNUM
- 2.5.1.13 Mask Register
- 2.5.1.14 Temperature Registers
- 2.5.1.15 Zero-crossing Level and No Load Threshold
- 2.5.1.16 V1/V2 Sag, V1/ V2 Swell, and I1/I2 Overcurrent Registers
- 2.5.1.17 Channel Selection Level, Channel Select Minimum Amplitude, and Voltage Fixed RMS Reference Registers
- 2.5.1.18 Register Checksum, SerialCtrl Registers
- 2.5.1 Setup Window
- 2.6 Calibration Window
- 2.7 Conversion Window
- 2.8 Cirrus Test Window
- 2.8.1 Data Collection Window
- 2.8.1.1 Time Domain / FFT/ Histogram Selector
- 2.8.1.2 Config Button
- 2.8.1.3 Collect Button
- 2.8.1.4 Output Button
- 2.8.1.5 Zoom Button
- 2.8.1.6 Channel Select Button
- 2.8.1.7 Output Button & Window
- 2.8.1.8 Configuration Window
- 2.8.1.9 Collecting Data Sets
- 2.8.1.10 Analyzing Data
- 2.8.1.11 Histogram Information
- 2.8.1.12 Frequency Domain Information
- 2.8.1.13 Time Domain Information
- 2.8.2 Data Collection to File Window
- 2.8.3 Setup and Test Window
- 2.8.1 Data Collection Window
- Appendix A. Bill Of Materials
- Appendix B. Schematics
- Appendix C. Layer Plots

CDB5480U
42 DS893DB5
REV D2
02/17/11
SCHEM CDB5480U-Z-NPb
3
3
Alan ZHAAlan ZHA
MCU+LCD+USB
CHK BY/DATEINC BY/DATEDESCRIPTIONREVECO#
SIZE B
OF
SHEET
PART #
DESCRIPTION:
DRAWN BY:
DATE:
ENGINEER:
SHEET TITLE:
+5V_EXT
GND1
+5V_USB +5V_EXT
LCD HEADER
600-00474-Z1
1
P0.1
2
P0.0
3
GND
4
D+
5
D-
6
VDD
7
REGIN
8
VBUS
9
RST/C2CK
10
P3.0/C2D
11
P2.7
12
P2.6
13
P2.5
14
P2.4
15
P2.3
16
P2.2
17
P2.1
18
P2.0
19
P1.7
20
P1.6
21
P1.5
22
P1.4
23
P1.3
24
P1.2
25
P1.1
26
P1.0
27
P0.7
28
P0.6
29
P0.5
30
P0.4
31
P0.3
32
P0.2
U6
C8051F342-GQ
1
VSS
2
VDD
3
NC
4
RS
5
R/W
6
E
7
DBO
8
DB1
9
DB2
10
DB3
11
DB4
12
DB5
13
DB6
14
DB7
15
BLA
16
BLK
U7
LCD 16P LMB162AFC-2
LCD
R34
0
R35
0
R36
0
R37
0
R38
0
R40
0
R41
0
R42
0
C22
0.1uF
X7R
C23
0.1uF
X7R
C24
47uF
ELEC
C25
0.1uF
X7R
1
+5V
2
D-
3
D+
4
GND
5
GND
6
GND
J24
292304-1
USB
C26
22pF
4
3
1
2
D5
SP0503BAHTG
1
2
34
56
78
910
J25
HDR5X2
JTAG/C2
1
5
3
S1
RESET
R44
1K
C27
0.1uF
X7R
C28
1UF
X7R
R45 1K
R461K
J26
1
2
J27
1
5
3
S2
SWITCH
R47
5.1K
C29
0.1uF
X7R
12
D6
RED
EVENT
R48
680
12
Z2
6.8V
TP10
+3.3V_1
JP1
JP2
JP3
JP4
JP5
JP6
JP7
JP8
R43
0
R56
0
NO POP
1
2
3
4
5
6
7
8
9
10
11
12
13
14
15
16
J22
HDR16X1-ML-TH
R57 20
SDO
SDI
CS
SCLK
DO3
DO2
DO1
LCD_E
LCD_R/W
LCD_RS
LCD_E
LCD_R/W
LCD_RS
+3.3V_1
+3.3V_1
+3.3V_1
+3.3V_1
USB_+5V
USB_+5V
+3.3V_1
+3.3V_1
GND1
GND1
GND1
GND1
GND1
GND1
GND1GND1
GND1
GND1
GND1 GND1
GND1 GND1
GND1
RESET
RESET
GND1
+5V
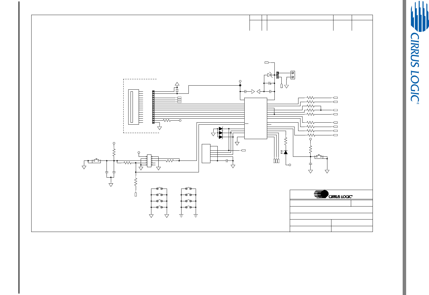
Figure 34. Schematic - Microcontroller & USB Interface










