User Manual
Table Of Contents

Copyright © Cirrus Logic, Inc. 2004
(All Rights Reserved)
Cirrus Logic, Inc.
www.cirrus.com
CDB8421
Evaluation Board For CS8421
Features
Asynchronous Sample Rate Conversion
CS8416 S/PDIF Digital Audio Receiver
CS8406 S/PDIF Digital Audio Transmitter
Header for External Serial Audio I/O
3.3 V or 5.0 V Logic Interface
No software required to operate.
Demonstrates recommended layout and
grounding arrangements.
Description
The CDB8421 demonstration board is an excellent
means for evaluating the CS8421 sample rate converter.
Evaluation requires a digital signal source, digital analyz-
er, and power supplies.
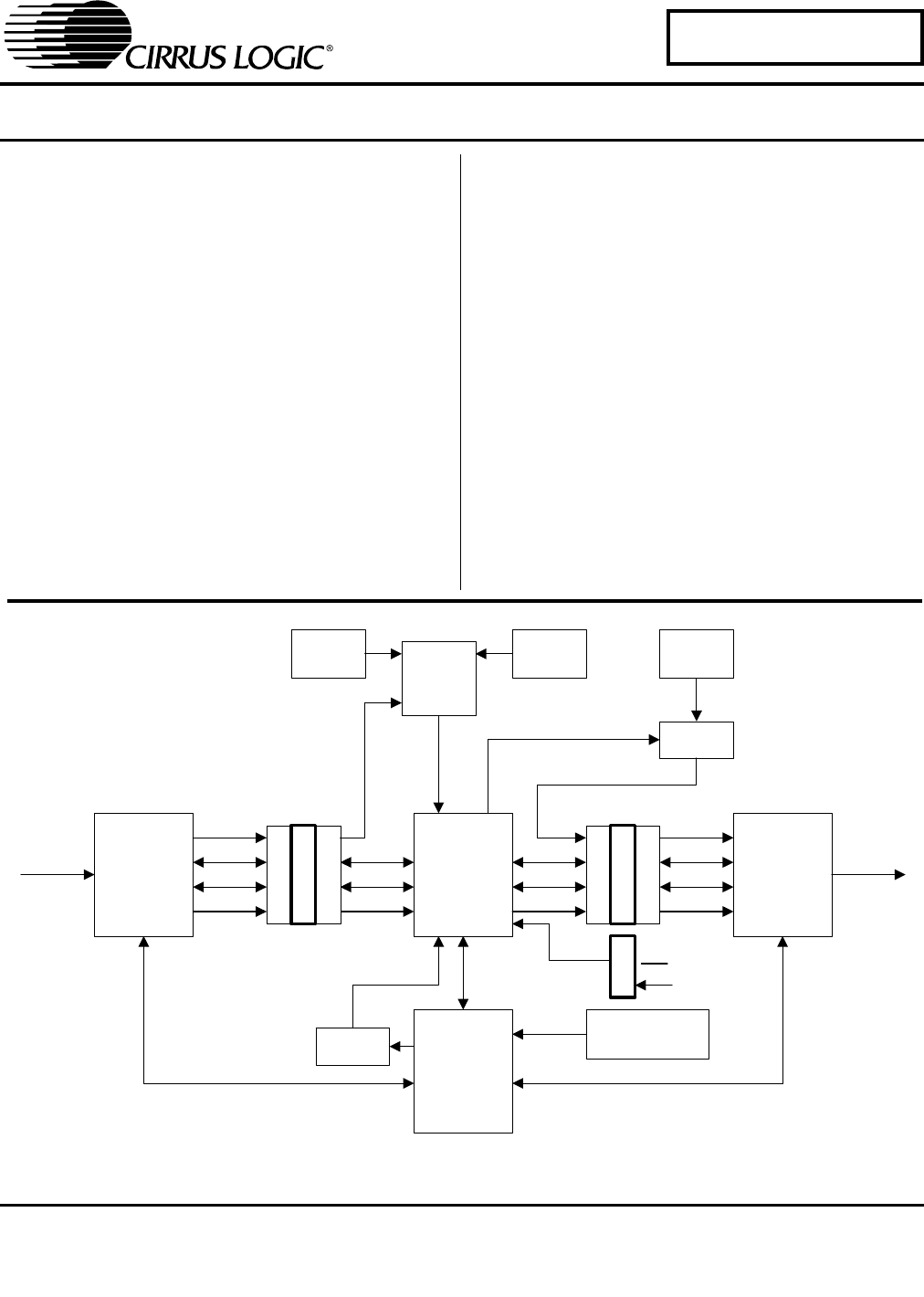
System timing can be provided by the CS8421, by the
CS8416 phase-locked to its S/PDIF input, by an I/O
stake header, or by an on-board oscillator. Digital I/O is
available via coaxial (RCA) or optical connectors to the
CS8416 and CS8406. All configuration control is han-
dled from onboard switches.
ORDERING INFORMATION
CDB8421 Evaluation Board
I
CS8416 CS8406CS8421
RX In TX Out
OLRCK
OSCLK
SDOUT
OSC XTAL
Jumper
ILRCK
ISCLK
SDIN
OSC
Jumper
XTI
CPLD
RMCK
OLRCK
OSCLK
SDOUT
ILRCK
ISCLK
SDIN
OMCK
Buffers
Buffers
Header
Buffers
Buffers
Header
Resistors
Hardware
Switches
Header
TDM_IN
RST
MCLK_OUT
NOV ‘04
DS641DB3










