User Manual
Manuals
Brands
Cirrus Logic Manuals
Hardware
CDB8421
11
12
13
14
15
16
17
18
19
20
Table Of Contents
Features & Description
Table of Contents
List of Figures
List of Tables
1. System Overview
1.1 CS8421 Sample Rate Converter
1.2 CS8406 Digital Audio Transmitter
1.3 CS8416 Digital Audio Receiver
1.4 Clocking
1.5 Clock and Data Headers
1.6 CPLD Board Setup
1.7 Power
1.8 Grounding and Power Supply Decoupling
2. Block Diagram
Figure 1. Block Diagram
3. Schematics
Figure 2. Power
Figure 3. CS8416
Figure 4. CS8416 to CS8421
Figure 5. CS8421
Figure 6. CS8421 to CS8406
Figure 7. CS8406
Figure 8. Mode Switches
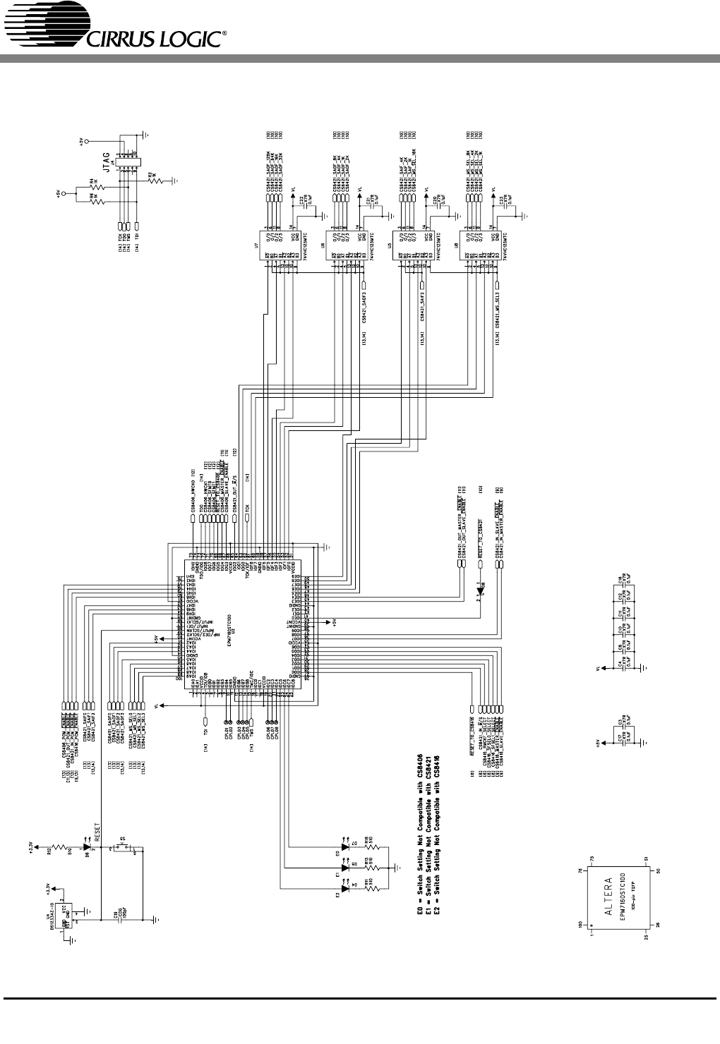
Figure 9. CPLD
4. Layout
Figure 10. Silk Screen
Figure 11. Topside Layer
Figure 12. Bottomside Layer
5. Appendix A: CS8406 TCBL Connection for The CDB8421 REv. A
6. References
7. Revision History
CDB8421
16
DS641DB3
Figure 9.
CPLD
1
...
...
14
15
16
17
18
...
...
22