User Manual

EDB9307A
Technical Reference Manual
20 ©Copyright 2006 Cirrus Logic, Inc. DS667DB1
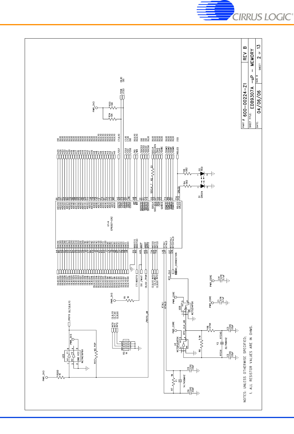
Figure 5. Schematic Page 2 - Processor & Memory