User Manual

EDB9307A
Technical Reference Manual
22 ©Copyright 2006 Cirrus Logic, Inc. DS667DB1
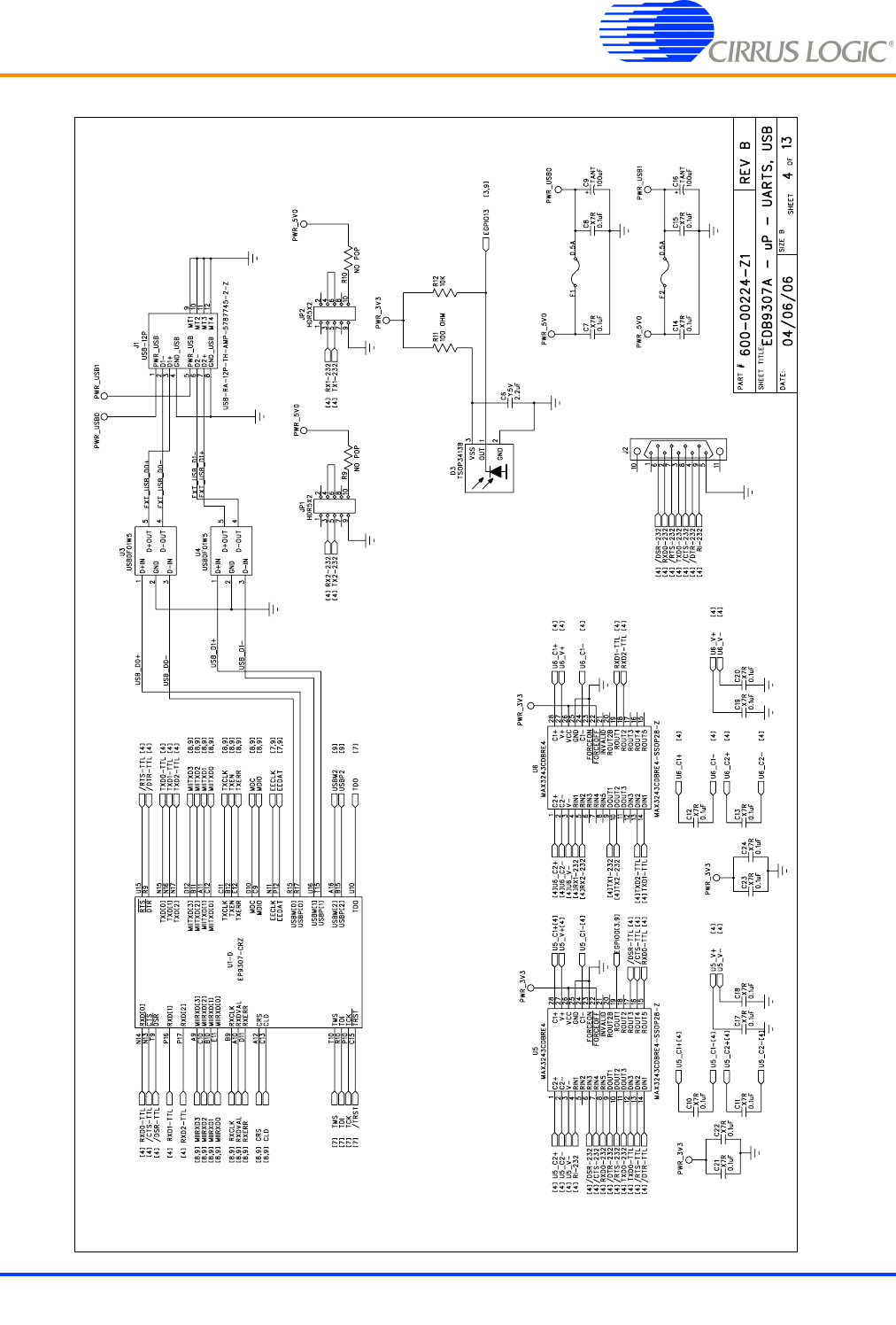
Figure 7. Schematic Page 4 - UARTs & USB