User's Manual
Table Of Contents
- Cisco ONS 15454 SDH Reference Manual
- Contents
- About this Guide
- Shelf and FMEC Hardware
- Common Control Cards
- Electrical Cards
- Optical Cards
- Ethernet Cards
- Storage Access Networking Cards
- Card Protection
- Cisco Transport Controller Operation
- Security and Timing
- Circuits and Tunnels
- SDH Topologies and Upgrades
- CTC Network Connectivity
- Alarm Monitoring and Management
- Ethernet Operation
- Hardware Specifications
- A.1 Shelf Specifications
- A.2 SFP Specifications
- A.3 General Card Specifications
- A.4 Common Control Card Specifications
- A.5 Electrical Card and FMEC Specifications
- A.5.1 E1-N-14 Card Specifications
- A.5.2 E1-42 Card Specifications
- A.5.3 E3-12 Card Specifications
- A.5.4 DS3i-N-12 Card Specifications
- A.5.5 STM1E-12 Card Specifications
- A.5.6 BLANK Card
- A.5.7 FMEC-E1 Specifications
- A.5.8 FMEC-DS1/E1 Card Specifications
- A.5.9 FMEC E1-120NP Card Specifications
- A.5.10 FMEC E1-120PROA Card Specifications
- A.5.11 FMEC E1-120PROB Card Specifications
- A.5.12 E1-75/120 Impedance Conversion Panel Specifications
- A.5.13 FMEC-E3/DS3 Card Specifications
- A.5.14 FMEC STM1E 1:1 Card Specifications
- A.5.15 FMEC-BLANK Card Specifications
- A.5.16 MIC-A/P Card Specifications
- A.5.17 MIC-C/T/P Card Specifications
- A.6 Optical Card Specifications
- A.6.1 OC3 IR 4/STM1 SH 1310 Card Specifications
- A.6.2 OC3 IR/STM1 SH 1310-8 Card Specifications
- A.6.3 OC12 IR/STM4 SH 1310 Card Specifications
- A.6.4 OC12 LR/STM4 LH 1310 Card Specifications
- A.6.5 OC12 LR/STM4 LH 1550 Card Specifications
- A.6.6 OC12 IR/STM4 SH 1310-4 Card Specifications
- A.6.7 OC48 IR/STM16 SH AS 1310 Card Specifications
- A.6.8 OC48 LR/STM16 LH AS 1550 Card Specifications
- A.6.9 OC48 ELR/STM16 EH 100 GHz Card Specifications
- A.6.10 OC192 SR/STM64 IO 1310 Card Specifications
- A.6.11 OC192 IR/STM64 SH 1550 Card Specifications
- A.6.12 OC192 LR/STM64 LH 1550 Card Specifications
- A.6.13 OC192 LR/STM64 LH ITU 15xx.xx Card Specifications
- A.7 Ethernet Card Specifications
- A.8 Storage Access Networking Card Specifications
- Administrative and Service States
- Network Element Defaults
- Index

4-6
Cisco ONS 15454 SDH Reference Manual, R5.0
April 2008
Chapter 4 Optical Cards
4.2.1 OC3 IR 4/STM1 SH 1310 Functionality
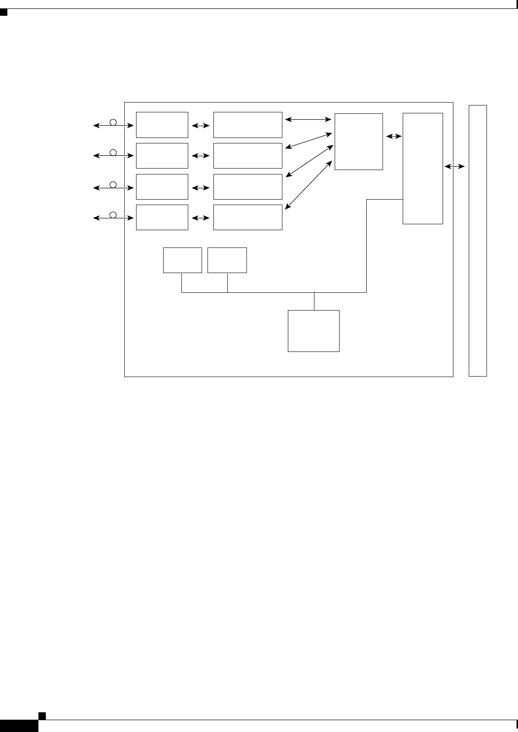
Figure 4-2 shows a block diagram of the four-port OC-3 card.
Figure 4-2 OC3 IR 4/STM1 SH 1310 Block Diagram
4.2.1 OC3 IR 4/STM1 SH 1310 Functionality
You can install the OC3 IR 4/STM1 SH 1310 card in Slots 1 to 6 and 12 to 17. The card can be
provisioned as part of a subnetwork connection protection (SNCP) ring or linear add-drop multiplexer
(ADM) configuration. Each interface features a 1310-nm laser and contains a transmit and receive
connector (labeled) on the card faceplate. The card uses SC connectors.
The OC3 IR 4/STM1 SH 1310 card supports 1+1 unidirectional and bidirectional protection switching.
You can provision protection on a per port basis.
The OC3 IR 4/STM1 SH 1310 card detects loss of signal (LOS), loss of frame (LOF), loss of pointer
(LOP), multiplex section alarm indication signal (MS-AIS), and multiplex section far-end receive failure
(MS-FERF) conditions. Refer to the Cisco ONS 15454 SDH Troubleshooting Guide for a description of
these conditions. The card also counts section and line bit interleaved parity (BIP) errors.
To enable an MSP-SPRing, the OC3 IR 4/STM1 SH 1310 card extracts the K1 and K2 bytes from the
SDH overhead to perform appropriate protection switches. The data communication channel/generic
communication channel (GCC) bytes are forwarded to the TCC2 card, which terminates the GCC.
uP bus
uP
Flash
RAM
BTC
ASIC
B
a
c
k
p
l
a
n
e
STM-4
Optical
Transceiver
Optical
Transceiver
Optical
Transceiver
Optical
Transceiver
63118
STM-4/
STM-1
Mux/Demux
STM-1
termination/
framing
STM-1
termination/
framing
STM-1
termination/
framing
STM-1
termination/
framing
STM-1
STM-1
STM-1
STM-1










