Datasheet
Table Of Contents
- OVERVIEW
- DETAILED VIEWS
- BASE SERVER STANDARD CAPABILITIES and FEATURES
- CONFIGURING the SERVER
- OPTIONAL STEP - ORDER RACK(s)
- OPTIONAL STEP - ORDER PDU
- SUPPLEMENTAL MATERIAL
- TECHNICAL SPECIFICATIONS

Cisco UCS Cisco UCS C220 M4 High-Density Rack Server (Large Form Factor Disk Drive Model)
54
SUPPLEMENTAL MATERIAL
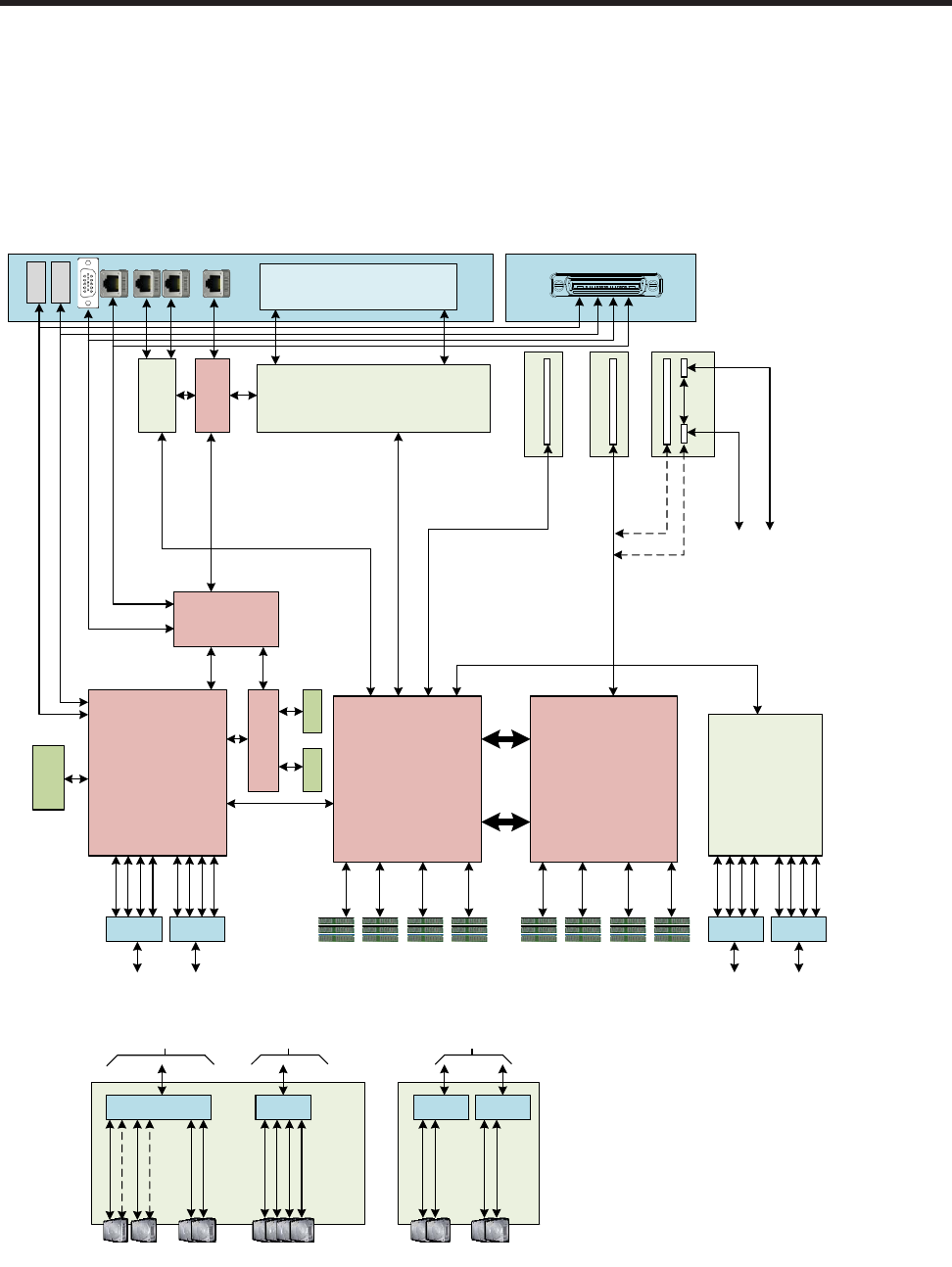
Block Diagram
A simplified block diagram of the C220 M4 server is shown in Figure 7.
Figure 7 C220 M4 SFF Block Diagram (simplified)
UCSC-C220-M4S, 1U, 8-2.5" drives
X4 SAS
Connector
1
2
SAS x4
SAS x1
3
4
5
6
7
8
X4 SAS
Connector
X4 SAS
Connector
X4 SAS
Connector
Intel
Wellsburg PCH
SATA
SATA
X4 SAS
Connector
X4 SAS
Connector
SAS/SATA
SAS/SATA
Modular RAID
Card
Cable to
modular
RAID card or
Wellsburg
connector
A1A2 A3
B1B2 B3
C1C2 C3
D1D2 D3
E1 E2 E3
F1 F2 F3
G1G2 G3
H1H2 H3
Chan A
Chan B
Chan C
Chan D
Chan E
Chan F
Chan G
Chan H
PCIe x8 Gen 3
Intel
Xeon
Haswell XP
(CPU 1)
Intel
Xeon
Haswell XP
(CPU 2)
QPI (9.6 GT)
PCIe Riser 1
PCIe Riser 2 (option 1)
Slot 1
PCIe x16 Gen3
DMI2
DMI2 (x4)
Gen2
SD2SD1
USB
Thumbdrive
USB
USB
VGA
1 GB-T
1 GB-T
1 GB-T
(Mgmt)
Serial
PCIe
mLOM
Module
(a variety of
network
cards can be
installed
here)
GbE switch
2-port
i350 NIC
PCIe
BMC
Rear Panel
Two Options for Drive Backplane
PCIe
Network connectors
(types vary with mLOM module)
. . . . . . . . . . . .
SD controller
QPI (9.6 GT)
Gen3
(12 Gb/s)
Gen2
(6 Gb/s)
Cisco C220 M4 1U Server System Block Diagram
USB 3.0
Front Panel
SD 3.0
KVM
Connector
X2 USB 2.0
1 VGA
1 Serial
UCSC-C220-M4L, 1U, 4-3.5" drives
X4 SAS
Connector
1
SAS x2
SAS x2
2
3
4
X4 SAS
Connector
Cables to
modular
RAID card
Slot 2
PCIe x16 Gen3
Slot 2
PCIe Riser 2 (option 2)
X2 mini
SAS HD
PCIe x8 Gen3
PCIe x8 Gen3
PCIe x4 Gen3
PCIe x4 Gen3
SAS x1
SAS x1
SAS x1
Cable to
modular
RAID card or
Wellsburg
connector
or PCIe riser
2 (option 2)
PCIe x4*
PCIe x4*
*PCIe drives allowed in
slots 1 and 2 only