COLOR LCD MONITOR OWNER'S MANUAL INSTALLATION GUIDE VMA6492

OWNER’S MANUAL
5
APPLICATIONS
A
PPLICATIONS
:
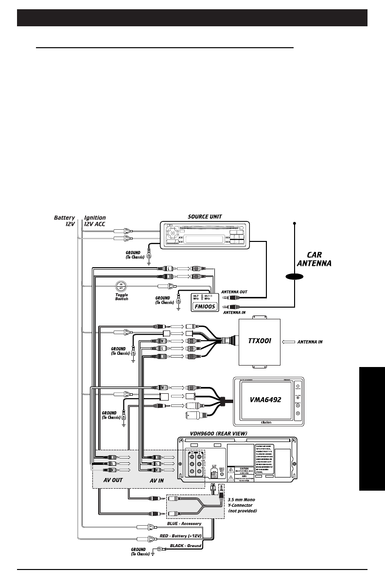
(With the VDH9600, TTX001 and the FM100S)
1. Pick a location to mount the TTX001 TV tuner. Typically the tuner is located
close to the VCR player. Avoid areas with excessive heat or moisture.
2. Mount the TV antenna (ZCB-303 or equivalent) and plug it into the TTX001
antenna input connector.
3. Plug the 16-pin A/V Output and 2-pin Power Molex connector into the
TTX001 tuner. Using the supplied A/V cable, connect the Left (white), Right
(red), and Video (yellow) RCAs into their corresponding LINE IN locations
on the back of the VDH9600.
4. Connect the IR extension cable from the TTX001 into one of the jack inputs
on the 3.5 mm mono Y-connector (not provided). Connect the plug side of the
Y-connector to the REMOTE SENSOR INPUT on the back of the video play-
RGB INPUT










