Polisher Operator's Manual

Page -30 - CLARKE TECHNOLOGY Operator's Manual - C2K Series 120V
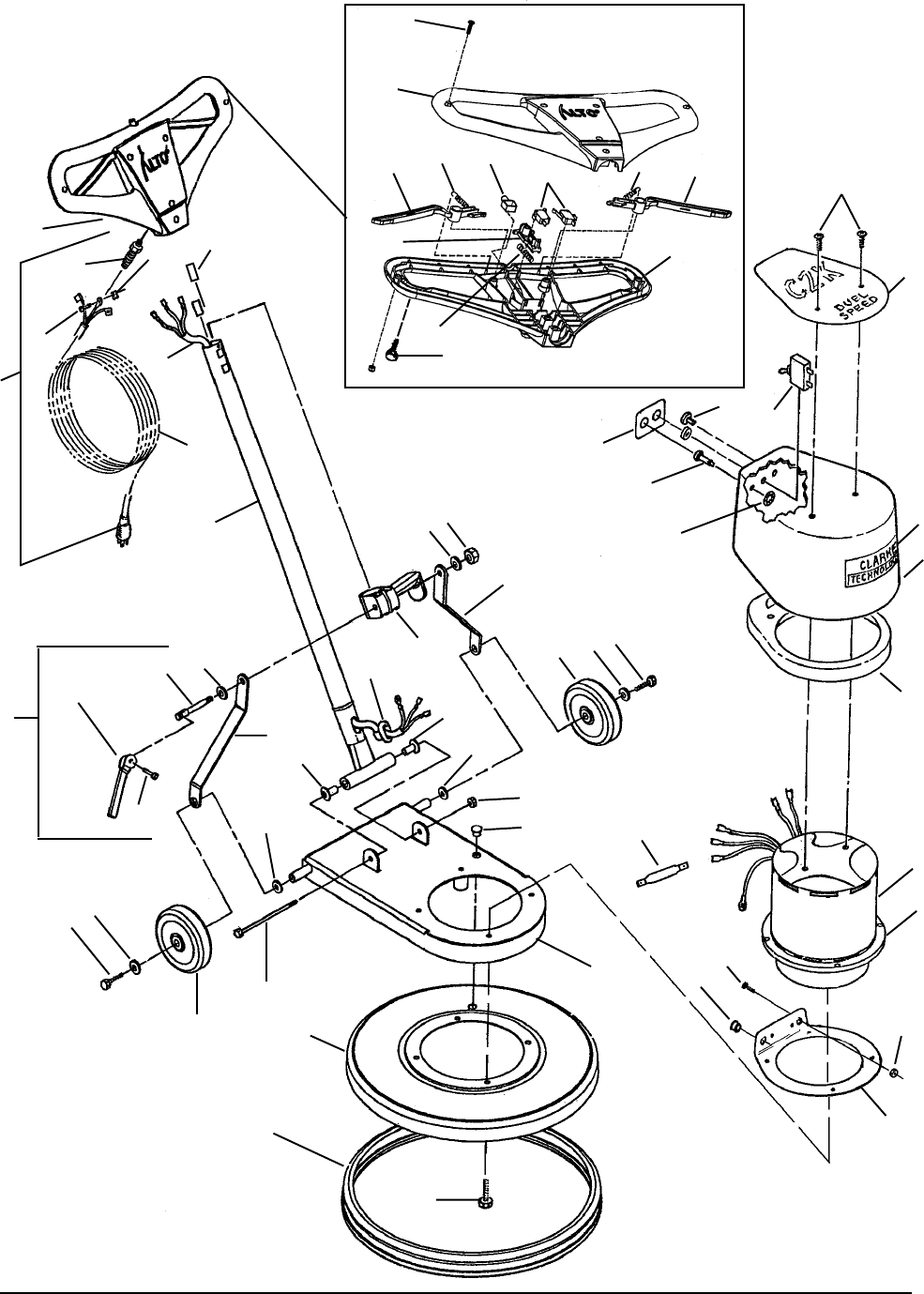
CLARKE TECHNOLOGY
C2K-1600DS and C2K-2000DS
Assembly Drawing 2/01
1
2
3
45
8
7
6
4
3
9
40
13
14
15
1
23
54
1
10
55
56
57
51
39
38
22
21
19
20
16
17
37
26
18
26
25
22
28
25
24
27
33
34
36
32
24
23
1
1
48
10
29
45
30
30a
52
31
50
47
49
46
44
43
41
42