Polisher Operator's Manual
Table Of Contents
- Operator's Manual
- CONTENTS OF THIS BOOK
- OPERATOR SAFETY INSTRUCTIONS
- MACHINE INTRODUCTION
- ACCESSORIES
- Machine Specifications
- HOW TO PREPARE THE MACHINE FOR OPERATION
- 120 VOLT MACHINES Connection Instructions
- HOW TO OPERATE THE MACHINE
- MAINTENANCE
- Parts and Service Manual
- MAINTENANCE
- Assembly Drawing
- Assembly Drawing Parts List
- AssemblyDrawing
- Assembly Parts List
- Motor Assembly Drawing & Parts List
- 120V Motor Electrical Schematic
- Gearbox Assembly Drawing & Parts List
- Gearbox Assembly Drawing & Parts List
- Motor Assembly Drawing & Parts List
- 120V Motor Connection Diagram
- Gearbox Assembly Drawing & Parts List
- 120V Motor Assembly Drawing & Parts List
- Gearbox Assembly Drawing & Parts List
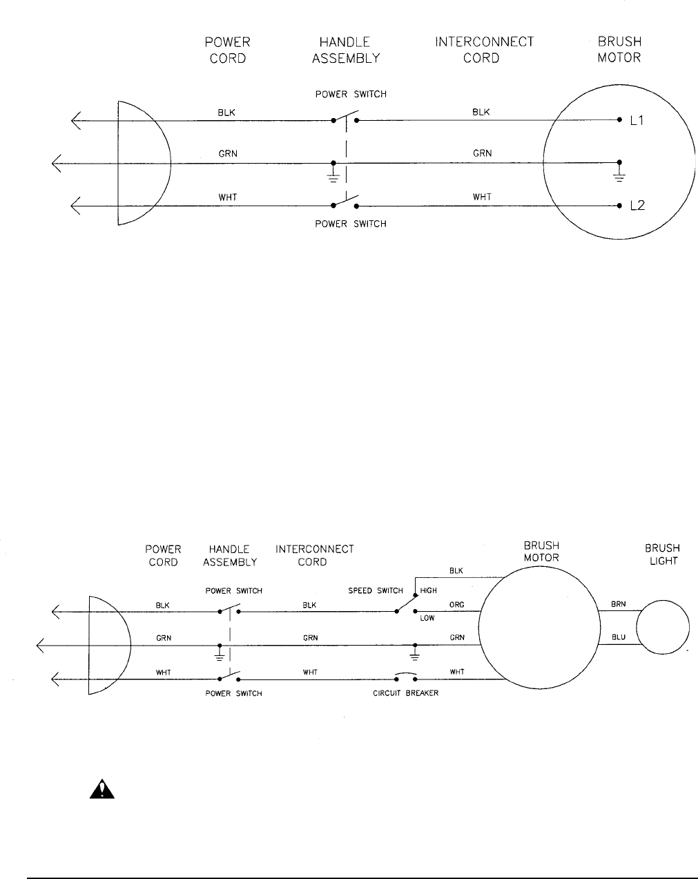
- Wiring Diagram 120V-60Hz
- Wiring Diagram 120V
- ALTO ® PRODUCT SUPPORT BRANCHES
- CLARKE TECHNOLOGY LIMITED U.S. WARRANTY

CLARKE TECHNOLOGY
C2K-1600DS and C2K-2000DS
Wiring Diagram 120V 9/99
CLARKE TECHNOLOGY
C2K-16, C2K-18, C2K-160, C2K-180, C2K-200,
C2K-1600, C2K-1800, C2K-2000, C2K-160HS, C2K-180HS, C2K-200HS
Wiring Diagram 120V-60Hz 9/99
WARNING: All electrical repairs must be performed by qualified personnel only.
Page -39 - CLARKE TECHNOLOGY Operator's Manual - C2K Series 120V










