User`s manual
Table Of Contents
- 535 User's Manual
- Table of Contents
- Chapter 1: Introduction
- Chapter 2: Basic Interface
- Chapter 3: Installation
- Chapter 4: Hardware Set Up
- Chapter 5: Software Configuration
- Chapter 6: Tuning
- Chapter 7: Applications
- Control Type
- Alarms
- Duplex Control
- Slidewire Position Proportioning Control
- Velocity Position Proportioning Control
- Staged Outputs
- Retransmission
- Digital Inputs
- Remote Setpoint
- Multiple Setpoints
- Multiple Sets of PID Values
- POWERBACK
- Self Tune–POWERTUNE®
- Ramp-To-Setpoint
- Input Linearization
- Load Line
- Security
- Reset Inhibition
- Process Variable Reading Correction
- Serial Communications
- Cascade Control
- Ratio Control
- Appendix 1: Menu Flowcharts
- Appendix 2: Parts List
- Appendix 3: Troubleshooting
- Appendix 4: Calibration
- Appendix 5: Specifications
- Appendix 6: Glossary
- Appendix 7: Isolation Block Diagram
- Return Procedures and Warranty Information
- 500 Series Process Controllers User's Manual

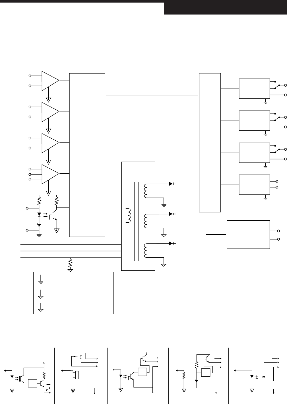
535 User's Manual Appendix 7 A-23
Isolation Block Diagram
APPENDIX 7
ISOLATION BLOCK DIAGRAM
Power
Supply
Line
L
N
G
E
E
Isolated output ground
Earth referenced ground
Internal ground
E
+V
+Vd
+Ve
Digital
Inputs 1-5
Slidewire
Input
RSP
Input
PV2
Input
PV1
Input
Multiplexer
ISO
CPU
Output 1
ISO Ground
Referenced
Output 2
ISO Ground
Referenced
Output 3
ISO Ground
Referenced
Output 4
ISO Ground
Referenced
RS485 Serial
Communications
Interface
1. Each of the three ground circuits are isolated from each other to
withstand a potential of 500 volts for 1 minute, or 600 volts for 1
second.
2. RSP, Slidewire and the PV inputs are isolated to withstand 50
volts peak between each other for 1 minute.
3. Milliamp, Loop Power and SSR Drive modules in output
positions 1, 2, and 4 are not isolated from each other.
Milliamp Module Mechanical Relay
+V
SSR Driver
+V
Loop Power SSR Output










