Specifications
Table Of Contents

Enter Base Level: Press
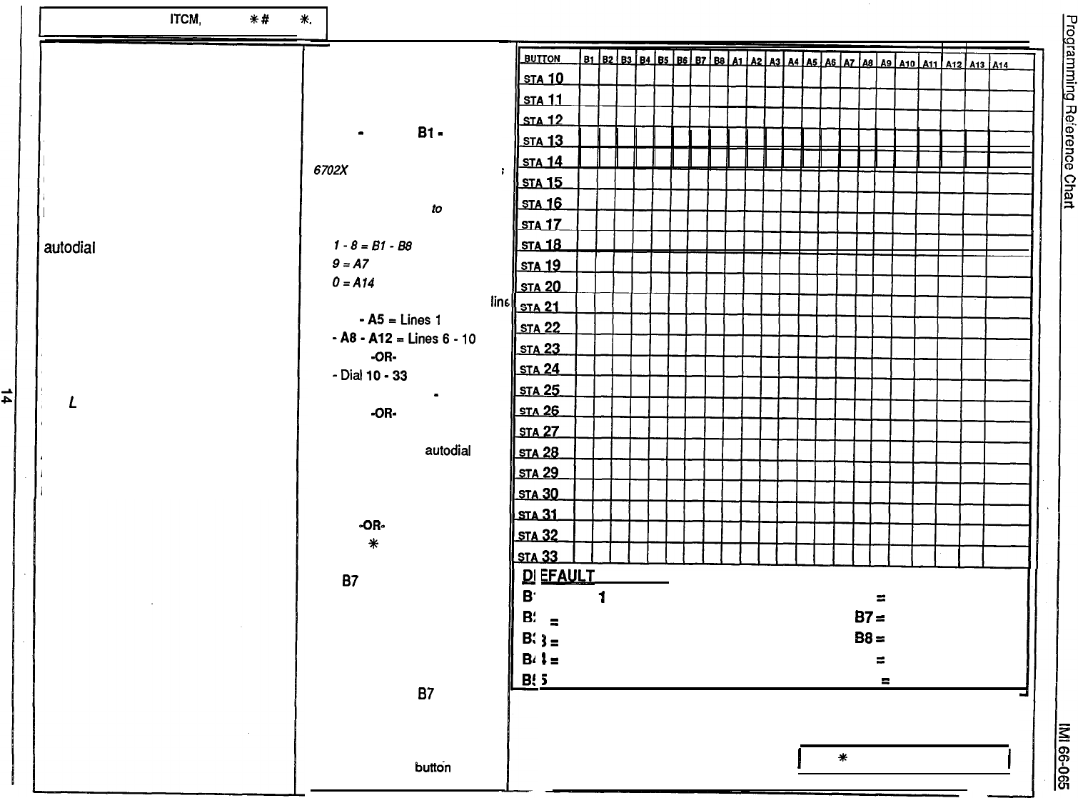
ITCM,
then dial
S
#
7 4 6
+#.
Non-Square System: Each
programmable button at every station
can be assigned individually (mapped)
to select any line assigned to that
station or to provide other button
functions. Programmable buttons can
be assigned as direct station select
(DSS) buttons to provide one-key
access to system stations.
Programmable
buttons can be
assigned as idle (blanked) to provide
autodial
buttons for the user.
NOTE: When a line is reassigned from
a
defaulted button location to a
different button location, the defaulted
button must then be assigned to an
idle condition (blanked). This action
must be taken to ensure that status
indications for the line will appear af
the
1
ED of the button that is now
assigned to have line appearance.
A
button must be blanked even though
it does not appear on the particular
telephone being programmed.
1. Dial 59.
2. Dial port ID (10-33)
3. Press station button to be
programmed.
l Al
-
Al4 and
Bl
-
B8.
NOTE: If programming with a model
6702X
or 6714X telephone that does
not include a full complement of
buttons, dial a number
to
select the
button to be programmed
I-8=Bl-B8
9=A7
O=Al$
4. Press prog. button to assign
lins
-Al
-A5=Linesl
-5.
-A8-A12=Lines6-10
-OR-
-DiallO-
for DSS Sta 10
-
33
-OR-
Press TAP for idle (blank)
buttons for user autodial
purposes
5. Press # + PORT ID for
next station
-OR*
Press
*
for next feature.
EXAMPLE: To re-assign line 7
from
87
default to A8 location
at station port 15 containing
model 6706X telephone,
1. Dial 15 (for station port 15)
2. Press A8 (to select button A8)
3. Press A9 (to re-assign line 7)
4. Dial 7 (to select
87
location
even though not present on
model 6706X telephone).
5. Press TAP (to move line 7
status LED for
buttdn
A8)
&$kT
SETTINGS
I q
LINE
I
B6
=
LINE 6
2
P
LINE 2
87
=
LINE
7
)=
LINE3
88
=
LINE
8
I=
LINE4
A7
=:
LINE 9
i
q
LINE 5
Al4
=
LINE 10
1
Press
c#
SPKR
to end programming.
1










