Installation manual

Using the CS1050 Expander Board
The CS1050 is a plug-on board that adds an additional 8 inputs and 8 outputs
to the CS1000 and CS2000 range of Dualcom units.
To install:
1. Remove power to the Dualcom when fitting or removing the CS1050 Expander
board.
2. Slide the CS1050 Expander into the two guides on the Dualcom with the
white connector towards the Dualcom board. Push the CS1050 down to
ensure it connects fully to the Dualcom.
3. Connect the triggering inputs to the INPUT terminals labelled 9 to 16, as
required. See page 13 and Appendix 2.
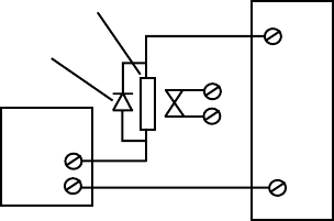
4. Connect the outputs to the OUTPUT terminals, labelled 1 to 8, as required.
These outputs are ‘open collector pull-down to 0v. Each will supply up to
50mA and may operate lights or relays with a supply up to +28 volts. Where
relays are used, they should be fitted with a diode across their coil to reduce
‘back EMF’ voltages. See Fig 7.
Note: If you use a seperate Power Supply, remember to connect the 0v
terminals of all of the parts of the system.
Fig 7
o/p
0 v
Relay
Diode
CS1050
Power
Supply
+VE
0 v
The Dualcom NVM will need to be programmed for ‘16 channels’ enabled. Your
ARC will normally provide a programming service. If a programming service is
unavailable, contact the CSL Technical Support Desk. See page 10.
All of the normal input programming options apply to the CS1050 Expander.
These are: Positive applied / removed triggering, self learning, restore reporting,
open/close reporting, VDN failure report, PSTN failure report and alarm abort.
19










