Installation manual

39
APPENDIX 2
Input Connections
There are 8 input terminals on Dualcom (16 with the CS1050 Expander).
When Dualcom is triggered the voltages on the input terminals are 0 volts changing
to a positive voltage, (normally +4 volts to +12 volts), or they may be a positive
voltage changing to 0 volts. This is called ‘positive applied’ or ‘positive removed’
triggering.
The Inputs may be programmed to send an alarm call when a positive voltage is
applied to an input or when a positive voltage is removed. See the CS2054
NVM Programming Manual for details and the Self-learning feature on page 13.
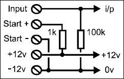
The figure above shows the internal connections of the Dualcom inputs.
The +12 volt and 0v connections from the Control Panel or Power Supply is
connected to the +12v & - 12v terminals.
Each of the input terminals on Dualcom is connected to 0 volts by a resistor.
Therefore, by leaving an input terminal unconnected this will ensure that that
the input is connected to 0 volts.
The ‘Start+’ terminals on Dualcom is an output. It will give a positive’pull-up’
voltage which can be used to assist input triggering.
The ‘Start-’ terminal is hard connected to 0 volts and can be used to assist
input triggering.
Dualcom internal connections










