Installation manual

40
APPENDIX 2
Input Connections (continued)
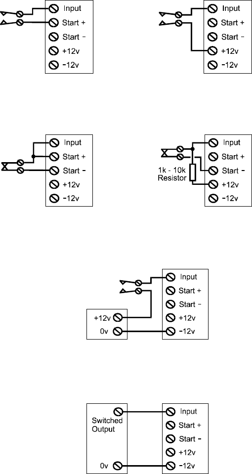
Examples of ‘Positive Applied’ triggering
Contact is ‘Normally Open’. Input is normally at 0 volts.
When contact closes the input becomes +12 volts.
Examples of ‘Positive Applied’ triggering
Contact is ‘Normally Closed’. Input is normally at 0 volts.
When contact opens the input becomes +12 volts.
Power
Supply
Example of ‘Positive Applied’ triggering
Contact is ‘Normally Open’. Input is normally at 0 volts.
When contact closes the input becomes +12 volts.
Example of ‘Positive Applied’ triggering
Control Panel Switched Output is 0 volts changing to a positive voltage
Control
 Panel










