Installation manual

41
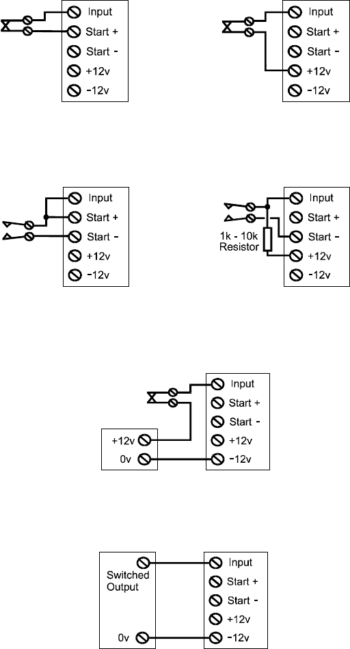
Examples of ‘Positive Removed’ triggering
Contact is ‘Normally Closed’. Input is normally at +12 volts.
When contact opens the input becomes 0 volts.
Examples of ‘Positive Removed’ triggering
Contact is ‘Normally Open’. Input is normally at +12 volts.
When contact closes the input becomes 0 volts.
Example of ‘Positive Removed’ triggering
Contact is ‘Normally Closed’. Input is normally at +12 volts.
When contact opens the input becomes 0 volts.
Power
Supply
Example of ‘Positive Removed’ triggering
Control Panel Switched Output is a positive voltage changing to 0 volts
APPENDIX 2
Input Connections (continued)










