- Crate Audio User's Guide Audio Mixer PM62S, PM82S, PM82T

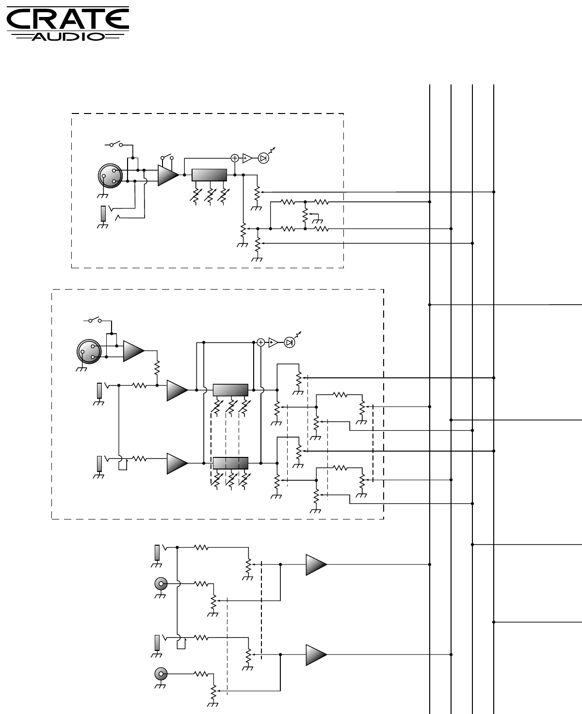
System Block Diagram:
+48V
PHANTOM
POWER
STEREO CHANNELS:
LOW
LMH
MID HIGH
PAN
PAN
LEVEL
LEVEL
MON
MON
EFFECT
EFFECT
RIGHTRIGHT
EFFECT
LEFTLEFT
EFFECT
MONITORMONITOR
AUX IN
LEFT
AUX IN
RIGHT
TAPE IN
LEFT
TAPE IN
RIGHT
TAPE IN
LEVEL
AUX IN
LEVEL
AUX IN
LEVEL
TAPE IN
LEVEL
HIGH-Z
LINE
MIC
HIGH-Z
LINE
LEFT
(MONO)
HIGH-Z
LINE
RIGHT
MIC
+48V
LOW MID HIGH
PHANTOM
POWER
PEAK
PAD
MONO CHANNELS:
MON
PAN
LEVEL
EFF
PEAK
10
PM62S/PM82S/PM82T Powered Mixers










