- Crate Audio User's Guide Audio Mixer PM62S, PM82S, PM82T

11
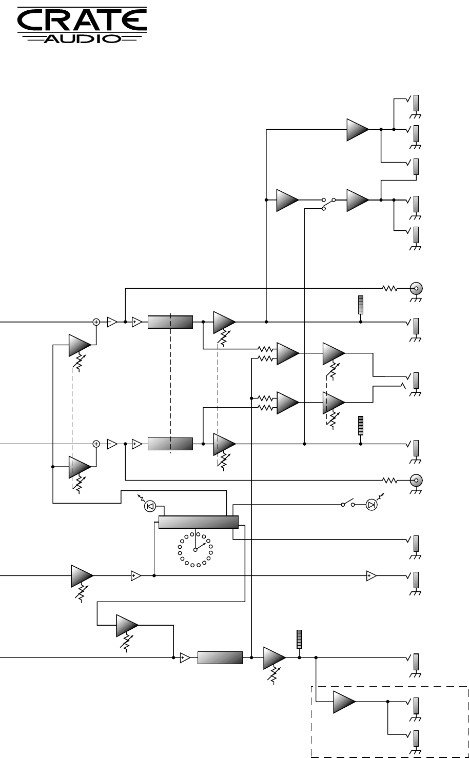
System Block Diagram (con’t):
LIMITER/
LED
DISPLAY
INV
BRIDGE
STEREO
3
2
1
SPEAKERS
BRIDGE
SPEAKERS
A
LEFT
POWER
AMP
RIGHT
POWER
AMP
SPEAKERS
B
SPEAKERS
A
SPEAKERS
B
HEAD-
PHONES
HEAD-
PHONE
LEVEL
TAPE
OUT
LEFT
TAPE
OUT
RIGHT
MAIN
OUT
LEFT
MAIN
OUT
RIGHT
7-BAND
GRAPHIC
EQ
7-BAND
GRAPHIC
EQ
DSP LINE
OUT
DSP FOOT-
SWITCH
DSP
ON
PROGRAM
LIMITER/
LED
DISPLAY
DSP SEND
LEVEL
MONITOR
LEVEL
7-BAND
GRAPHIC EQ
MONITOR
OUT
SPEAKERS
MONITOR A
SPEAKERS
MONITOR A
LIMITER/
LED
DISPLAY
MONITOR
EFF RET
LEVEL
MAIN EFF
RETURN
LEVEL
MAIN EFF
RETURN
LEVEL
MONITOR
POWER
AMP
PM82T ONLY
PEAK
PROGRAM
INDICATOR
MAIN
LEVEL
MAIN
LEVEL
PM62S/PM82S/PM82T Powered Mixers










